Модульные ограничители перенапряжений DEHNguard M ..., выполненные в конструктивном дизайне УЗИП продуктовой линейки Red/Line, устанавливают новые критерии в отношении безопасности и комфорта. Испытанный защитный блок с мощными оксидно-цинковыми варисторами в комбинации с устройством контроля двойного действия Thermo-Dynamik-Control является фирменным знаком технологии DEHNguard.
• Готовые к монтажу УЗИП, состоящие из базового элемента и вставных защитных модулей
• Энергетическая координация с другими УЗИП продуктовой линейки Red/Line
• Высокая пропускная способность благодаря использованию мощных варисторов на основе оксида цинка и искровых промежутков
• Высокая надежность благодаря контролю состояния "Thermo-Dynamik-Control"
• Простая замена защитных модулей благодаря системе быстрой фиксации сменных модулей
• Испытаны на вибро- и удароустойчивость согласно стандарту EN 60068-2
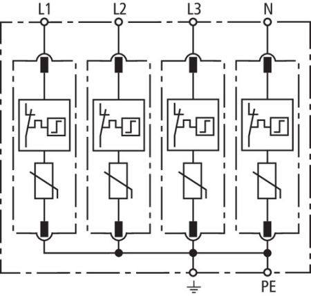
При разработке устройств защиты DEHNguard в центре внимания было обеспечение как надежной защиты от импульсных перенапряжений. Для облегчения выбора устройства для конкретного применения поставляются готовые к монтажу блоки, что является выражением высоких требований к безопасности, также как и применение системы быстрой фиксации сменных модулей. С помощью такой системы обеспечивается надежная фиксация модулей в базовом элементе. Ни вибрации или удары при транспортировке, ни огромные силы, возникающие при разряде, не приводят к самопроизвольному извлечению защитного модуля. Тем не менее, в случае необходимости смена защитного модуля может быть легко произведена без применения вспомогательных инструментов. Эта задача также решается благодаря системе быстрой фиксации модулей. Во избежание неверной установки защитного модуля электромонтажником или пользователем каждый модуль имеет механическую кодировку.
Характеристики:
• УЗИП согласно стандартам EN 61643-11 / ГОСТ Р 51992-2011 (IEC 61643-11): Тип 2 / Класс II
• Энергетическая координация с оконечным оборудованием (≤ 10 м): Тип 2 + Тип 3
• Номинальное напряжение перем. тока (UN): 230 / 400 В (50 / 60 Гц)
• Максимальное длительное рабочее напряжение перем. тока (UC): 275 В (50 / 60 Гц)
• Номинальный разрядный ток (8/20 мкс) (In): 20 кА
• Макс. разрядный ток (8/20 мкс) (Imax): 40 кА
• Уровень напряжения защиты [L-PE]/[N-PE] (UP): ≤ 1,5 / ≤ 1,5 кВ
• Уровень напряжения защиты [L-PE] / [N-PE] при 5 кА (UP): ≤ 1 / ≤ 1 кВ
• Время срабатывания (tA): ≤ 25 нс
• Номинал входного предохранителя, макс.: 125 A gG
• Стойкость к токам КЗ при макс. номинале входного предохранителя (ISCCR): 50 kArms
• Кратковременное перенапряжение (TOV) - (UT) характеристика: 335 В / 5 сек. – устойчивость
• Кратковременное перенапряжение (TOV) - (UT) характеристика: 440 В / 120 мин. – безопасный выход из строя
• Диапазон рабочих температур (TU): -40 °C ... +80 °C
• Индикатор работоспособности / неисправности: зеленый / красный
• Количество портов: 1
• Сечение соединительных проводов (мин.): 1,5 мм2 одножильный жесткий / гибкий
• Сечение соединительных проводов (макс.): 35 мм2 многожильный жесткий / 25 мм2 гибкий
• Монтаж на: DIN-рейку шириной 35 мм согласно стандарту EN 60715
• Материал корпуса: термопласт, цвет красный, UL 94 V-0
• Установка: внутри помещения
• Степень защиты: IP 20
• Монтажные размеры: 4 модуля, DIN 43880
• Разрешения, сертификаты: KEMA, VDE, UL, ЕАС
• Вес: 414 g
• Код ТН ВЭД (Комбинированная номенклатура ЕС): 85363030
• Код GTIN: 4013364108455
Устройство контроля двойного действия Thermo-Dynamik-Control было разработано не только на основе требований действующих национальных и международных стандартов, оно также учитывает международный опыт применения УЗИП на основе варисторов, в т.ч. многообразие различных условий и ситуаций, в которых возможны повреждения варисторов. Все варисторные УЗИП компании DEHN с устройством контроля состояния Thermo-Dynamik-Control в качестве фактора оценки состояния используют темпеатуру поверхности варистора и величину тока утечки.Визуально состояние защитного модуля отображается на индикаторе (зеленый цвет-рабочее состояние, красный цвет- аварийное). Наряду с визуальной индикацией УЗИП DEHNguard M ... FM имеют контакт удаленной сигнализации состояния.
Беспотенциальный переключающий контакт удаленной сигнализации состояния УЗИП в зависимости от концепции схемы защиты может использоваться как размыкающий или замыкающий контакт. Многополюсные модульные ограничители перенапряжений семейства DEHNguard M имеют многофункциональные клеммные зажимы с шагом 1 модуль, облегчающие подключение проводников и гребенчатых шин и упрощающие монтаж УЗИП. Самым простым способом реализации оптимальной с технической точки зрения V-образной схемы в соответствии со стандартом ГОСТ Р 50571.5.53-2013, является использование штыревой клеммы STAK 25, которая может использоваться для монтажа всех модулей DEHNguard.
Вариант исполнения DEHNguard M H TT … отвечает требованиям нового немецкого стандарта VDE 0100-534, его параметры соответствуют значениям, указанным в таблице для схемы подключения "3 + 1" для трехфазных систем с повышенными требованиями безопасности по току в цепи N-PE минимум 40 кА. Данное значение вытекает из возможно высокого значения пропускной способности 80 кА. В используемой на сегодняшний день конструкции УЗИП, цепь N-PE является самым слабым звеном и ограничивает общую пропускную способность до значения 4 х 5 кА = 20 кА.
Бренд | Dehn+Sohne |
Вид оборудования | Автоматический выключатель |
Класс УЗИП | II |
Количество полюсов | 3P+N |
Количество модулей | 4 |
Импульсный ток (макс.) | 40 кА |
Уровень напряжения защиты (Uр) | 1.25 кВ |
Максимальное рабочее напряжение (Uc) | 275 В |
Тип монтажа | На DIN-рейку |
Скорость срабатывания защиты | 25 нс |
Рабочая температура | от -40°С до +80°С |
Рабочая влажность | не выше 80% без конденсации |
Класс защиты (IP) | IP20 |
Страна производства | Германия |
Функция «Быстрый заказ» позволяет покупателю не проходить всю процедуру оформления заказа самостоятельно. Вы заполняете форму, и через короткое время вам перезвонит менеджер магазина. Он уточнит все условия заказа, ответит на вопросы, касающиеся качества товара, его особенностей. А также подскажет о вариантах оплаты и доставки.
По результатам звонка, пользователь либо, получив уточнения, самостоятельно оформляет заказ, укомплектовав его необходимыми позициями, либо соглашается на оформление в том виде, в котором есть сейчас. Получает подтверждение на почту или на мобильный телефон и ждёт доставки.
Оформление заказа в стандартном режиме
Если вы уверены в выборе, то можете самостоятельно оформить заказ, заполнив по этапам всю форму.
Заполнение адреса
Выберите из списка название вашего региона и населённого пункта. Если вы не нашли свой населённый пункт в списке, выберите значение «Другое местоположение» и впишите название своего населённого пункта в графу «Город». Введите правильный индекс.
Доставка
В зависимости от места жительства вам предложат варианты доставки. Выберите любой удобный способ. Подробнее об условиях доставки читайте в разделе «Доставка».
Оплата
Выберите оптимальный способ оплаты. Подробнее о всех вариантах читайте в разделе «Оплата»
Покупатель
Введите данные о себе: ФИО, адрес доставки, номер телефона. В поле «Комментарии к заказу» введите сведения, которые могут пригодиться курьеру, например: подъезды в доме считаются справа налево.
Оформление заказа
Проверьте правильность ввода информации: позиции заказа, выбор местоположения, данные о покупателе. Нажмите кнопку «Оформить заказ».
Наш сервис запоминает данные о пользователе, информацию о заказе и в следующий раз предложит вам повторить к вводу данные предыдущего заказа. Если условия вам не подходят, выбирайте другие варианты.
Если Вы хотите узнать об условиях доставки и оплаты, но не желаете о них читать, то Вы можете позвонить любому нашему сотруднику, и он обязательно Вам поможет.
Покупка за безналичный расчет
При оплате за безналичный расчет наш сотрудник свяжется с Вами, чтобы подтвердить заказ и уточнить сроки и адрес доставки. После оформления заказа сотрудник нашей компании вышлет вам счет, по которому необходимо будет произвести оплату.
После оплаты заказа к Вам приедет наш курьер, который доставит ваш заказ.
Самостоятельно забрать заказ из пунктов самовывоза Вы можете после его оплаты по безналичному расчету. Оплата доставки до пунктов выдачи транспортных компаний производится по тарифам выбранной Вами транспортной компании непосредственно в месте получения заказа.
Самовывоз из офиса нашей компании в Зеленограде, так же возможен после предоплаты по безналичному расчету, и предварительной договоренности с менеджером.
Интернет-магазин выполняет доставку любого товара своей собственной Службой доставки.
Стоимость доставки курьером
Стоимость доставки по Москве, Все товары —750 руб., бесплатная доставка от 25000 руб
Стоимость доставки по Московской области рассчитывается для каждого заказа индивидуально и зависит от суммарного веса товаров заказа и удаленности адреса доставки.
Время доставки
Время доставки согласовывается с менеджером Службы доставки, который обязательно свяжется с вами сразу после того, как вы разместите свой заказ.
Для осуществления доставки в регионы России мы пользуемся услугами компаний СДЭК, ЖелДорЭкспедиция, Автотрейдинг, Деловые Линии. В таком случае, указанными кампаниями взимается стоимость доставки по их внутренним тарифам с заказчика при получении товара.
Самовывоз
Забрать товар самостоятельно и абсолютно бесплатно можно только по адресу: Москва, Зеленоград, Панфиловский проспект, дом 10.
Забрать товар самовывозом можно по любому из адресов самовывоза указанных здесь, стоимость доставки до пункта самовывоза рассчитывается для каждого заказа по тарифам транспортных компаний.







