Универсальное УЗИП для промышленного Ethernet (согласно IEEE 802.3 до PoE++ / 4PPoE) и других близких интерфейсов в структурированных кабельных сетях в соответствии с классом Е до 250 МГц. Защита всех пар с мощными газовыми разрядниками и адаптированной фильтрующей матрицей на пару. Полностью экранированное исполнение с разъемами, для монтажа на DIN-рейку (до 1 Гбит Ethernet).
• DEHNpatch представляет собой первый в мире соединительный кабель, снабженный УЗИП, имеющий характеристики в соответствии с категорией 6 для универсального применения согласно IEEE 802.3at до 57 В.
• УЗИП для монтажа в разрыв кабеля передачи данных
• Для применения в СКС категории 5е или 6
• Категория 6А в соответствии с ANSI/TIA/EIA-568
• Power over Ethernet (PoE+ в соответствии с IEEE 802.3at)
• Легкое дооснащение
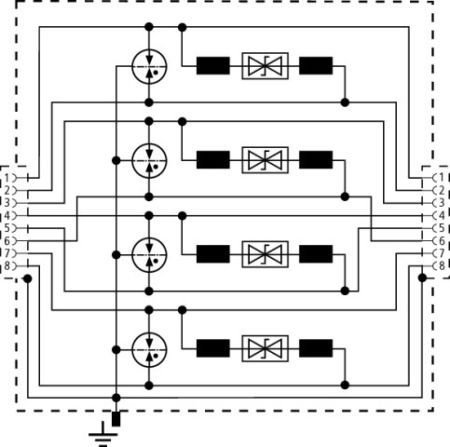
УЗИП семейства DEHNpatch удовлетворяют различным требованиям и могут использоваться для защиты таких интерфейсов, как Ethernet, промышленный Ethernet, Power over Ethernet (PoE++/4PPoE), а также других близких интерфейсов в высокоскоростных структурированных кабельных сетях. Различные варианты исполнения устройства обеспечивают возможность использования в разных условиях эксплуатации как внутри так и вне помещения.
Устройство защиты DEHNpatch с разъемами RJ45 отличается компактной конструкцией и особенно просто с точки зрения установки. Таким образом, защитой может быть оборудована не только новая установка, но и выполнено дооснащение уже существующих установок в любое время и без особых усилий. Полностью экранированное устройство DEHNpatch позволяет защищать как экранированные, так и неэкранированные сети.
Монтаж УЗИП DEHNpatch осуществляется между патч-панелью и активным оборудованием (например, коммутатором). Безопасное уравнивание потенциалов обеспечивается за счет выдерживающего ток молнии контакта с монтажной рейкой в виде защелки.
Ширина устройства, монтируемого на DIN-рейку, приблизительно соответствует габаритам разъема RJ45, таким образом возможна установка до 24 устройств в один ряд в 19-дюймовом шкафу. Для этого рекомендуется заказать монтажный комплект DEHNpatch, доступный в качестве дополнительной принадлежности.
Характеристики:
• Класс УЗИП: TYPE 2 P1
• Номинальное напряжение (UN): 48 В
• Максимальное длительное рабочее напряжение пост. тока (Uc): 48 В
• Максимальное длительное рабочее напряжение перем. тока (Uc): 34 В
• Максимальное длительное рабочее напряжение пост. тока PaPa (PoE) (Uc): 57 В
• Номинальный ток (IL): 1 A
• D1 Импульсный ток молнии (10/350 мкс) на линии (Iimp) 0,5 kA
• C2 Номинальный ток разряда (8/20 мкс) линия-линия (In): 150 A
• C2 Номинальный ток разряда (8/20 мкс) линия-PG (In): 2,5 кА
• C2 Полный номинальный ток разряда (8/20 мкс) (In): 10 кА
• C2 Номинальный ток разряда (8/20 мкс) Pa-Pa (PoE) (In): 150 A
• Уровень напряжения защиты линия-линия при In С2 (UP): ≤ 180 В
• Уровень напряжения защиты линия-PG при In С2 (UP): ≤ 500 В
• Уровень напряжения защиты Pa-Pa при In С2 (PoE) (UP): ≤ 600 В
• Уровень напряжения защиты линия-линия при 1кВ/мкс C3 (UP): ≤ 180 В
• Уровень напряжения защиты линия-PG при 1кВ/мкс C3 (UP): ≤ 500 В
• Уровень напряжения защиты Ра-Ра при 1 кВ/ мкс С3 (PoE) (UP): ≤ 600 В
• Частота среза (fG): 250 МГц
• Вносимое затухание для 250 МГц: ≤ 3 дБ
• Ёмкость линия-линия (C): ≤ 30 пФ
• Ёмкость линия-PG (C): ≤ 25 пФ
• Диапазон рабочих температур (TU): -40 °C ... +80 °C
• Степень защиты: IP 10
• Для монтажа на DIN-рейку шириной 35 мм согласно EN 60715
• Подключение вход/выход: разъем RJ45/ разъем RJ45
• Используемые пины: 1/2, 3/6, 4/5, 7/8
• Заземляется через: DIN-рейку шириной 35 мм согласно EN 60715
• Материал корпуса: литой цинк
• Цвет: натуральный
• Стандарты проверки: IEC 61643-21 / EN 61643-21 / UL 497B
• Разрешения, сертификаты: CSA, UL, EAC
• Дополнительные принадлежности: крепежный материал
• Вес: 109 g
• Код ТН ВЭД (Комбинированная номенклатура ЕС): 85363010
• Код GTIN: 4013364118935
Бренд | Dehn+Sohne |
Вид оборудования | Автоматический выключатель |
Класс УЗИП | II |
Количество полюсов | 1P+N |
Количество модулей | 2 |
Импульсный ток (макс.) | 0.5 кА |
Уровень напряжения защиты (Uр) | 0.6 кВ |
Максимальное рабочее напряжение (Uc) | 48 В |
Материал корпуса | Цинковой сплав |
Тип монтажа | На DIN-рейку |
Габариты | 19х75х36 мм |
Вес, кг | 0.1 |
Рабочая температура | от -40°С до +80°С |
Рабочая влажность | не выше 80% без конденсации |
Класс защиты (IP) | IP20 |
Страна производства | Германия |
Функция «Быстрый заказ» позволяет покупателю не проходить всю процедуру оформления заказа самостоятельно. Вы заполняете форму, и через короткое время вам перезвонит менеджер магазина. Он уточнит все условия заказа, ответит на вопросы, касающиеся качества товара, его особенностей. А также подскажет о вариантах оплаты и доставки.
По результатам звонка, пользователь либо, получив уточнения, самостоятельно оформляет заказ, укомплектовав его необходимыми позициями, либо соглашается на оформление в том виде, в котором есть сейчас. Получает подтверждение на почту или на мобильный телефон и ждёт доставки.
Оформление заказа в стандартном режиме
Если вы уверены в выборе, то можете самостоятельно оформить заказ, заполнив по этапам всю форму.
Заполнение адреса
Выберите из списка название вашего региона и населённого пункта. Если вы не нашли свой населённый пункт в списке, выберите значение «Другое местоположение» и впишите название своего населённого пункта в графу «Город». Введите правильный индекс.
Доставка
В зависимости от места жительства вам предложат варианты доставки. Выберите любой удобный способ. Подробнее об условиях доставки читайте в разделе «Доставка».
Оплата
Выберите оптимальный способ оплаты. Подробнее о всех вариантах читайте в разделе «Оплата»
Покупатель
Введите данные о себе: ФИО, адрес доставки, номер телефона. В поле «Комментарии к заказу» введите сведения, которые могут пригодиться курьеру, например: подъезды в доме считаются справа налево.
Оформление заказа
Проверьте правильность ввода информации: позиции заказа, выбор местоположения, данные о покупателе. Нажмите кнопку «Оформить заказ».
Наш сервис запоминает данные о пользователе, информацию о заказе и в следующий раз предложит вам повторить к вводу данные предыдущего заказа. Если условия вам не подходят, выбирайте другие варианты.
Если Вы хотите узнать об условиях доставки и оплаты, но не желаете о них читать, то Вы можете позвонить любому нашему сотруднику, и он обязательно Вам поможет.
Покупка за безналичный расчет
При оплате за безналичный расчет наш сотрудник свяжется с Вами, чтобы подтвердить заказ и уточнить сроки и адрес доставки. После оформления заказа сотрудник нашей компании вышлет вам счет, по которому необходимо будет произвести оплату.
После оплаты заказа к Вам приедет наш курьер, который доставит ваш заказ.
Самостоятельно забрать заказ из пунктов самовывоза Вы можете после его оплаты по безналичному расчету. Оплата доставки до пунктов выдачи транспортных компаний производится по тарифам выбранной Вами транспортной компании непосредственно в месте получения заказа.
Самовывоз из офиса нашей компании в Зеленограде, так же возможен после предоплаты по безналичному расчету, и предварительной договоренности с менеджером.
Интернет-магазин выполняет доставку любого товара своей собственной Службой доставки.
Стоимость доставки курьером
Стоимость доставки по Москве, Все товары —750 руб., бесплатная доставка от 25000 руб
Стоимость доставки по Московской области рассчитывается для каждого заказа индивидуально и зависит от суммарного веса товаров заказа и удаленности адреса доставки.
Время доставки
Время доставки согласовывается с менеджером Службы доставки, который обязательно свяжется с вами сразу после того, как вы разместите свой заказ.
Для осуществления доставки в регионы России мы пользуемся услугами компаний СДЭК, ЖелДорЭкспедиция, Автотрейдинг, Деловые Линии. В таком случае, указанными кампаниями взимается стоимость доставки по их внутренним тарифам с заказчика при получении товара.
Самовывоз
Забрать товар самостоятельно и абсолютно бесплатно можно только по адресу: Москва, Зеленоград, Панфиловский проспект, дом 10.
Забрать товар самовывозом можно по любому из адресов самовывоза указанных здесь, стоимость доставки до пункта самовывоза рассчитывается для каждого заказа по тарифам транспортных компаний.







