Гидравлический боллард Сатурн Конверсия 275-7 мм
Гидравлический боллард «Сатурн Конверсия 275-7 мм» — выдвижной защитный столб для ограничения въезда транспорта и повышения антитеррористической защищённости периметра. Конструкция основана на гидроцилиндре с выдвижным цилиндром из стали Fe 37, закрытым нержавеющими элементами. Такой подход обеспечивает высокую износостойкость, стабильную работу в интенсивных режимах и устойчивость к агрессивной среде. Диапазон диаметров от 220 до 320 мм и высот от 500 до 1000 мм позволяет подобрать решение под характеристики проезда и требуемый уровень физической защиты объекта.
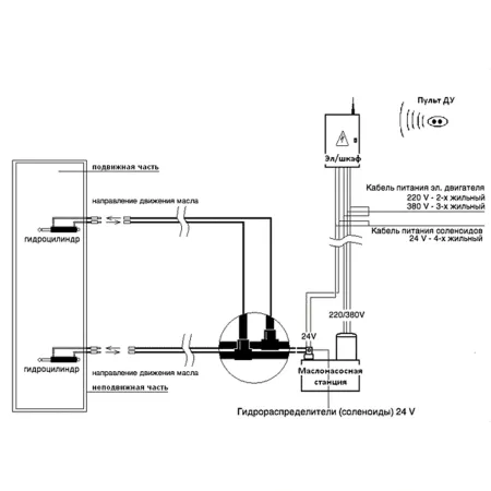
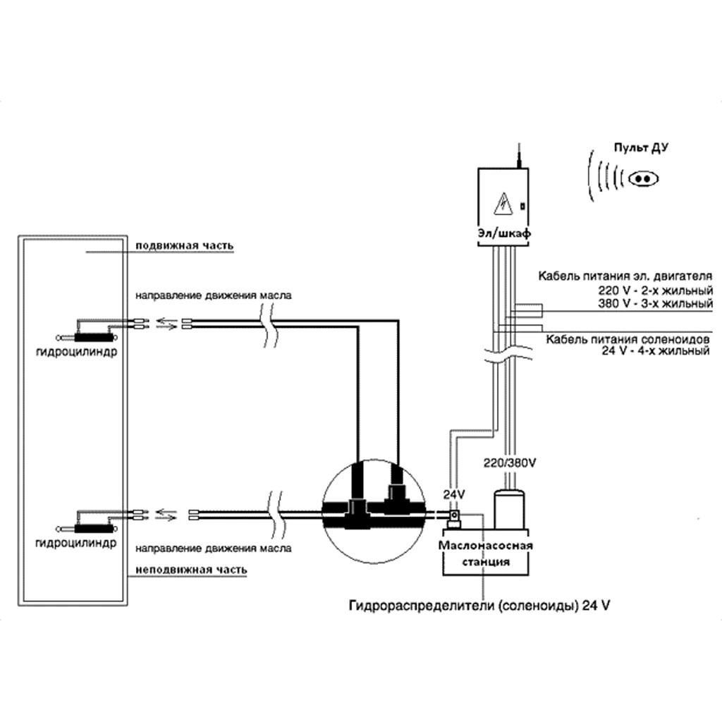
Система предназначена для работы как самостоятельно, так и в составе комплексных решений: может устанавливаться отдельно на въезде, на магистралях с неограниченным потоком транспорта, в зонах повышенных требований безопасности (промобъекты, аэропорты, порты, деловые центры). Управление организуется дистанционно с брелоков, а также через интеграцию с распространёнными платформами безопасности и СКУД, что облегчает включение болларда в существующую инфраструктуру. В случае перебоя питания предусмотрено разблокирование с автоматическим опусканием.
Линейка включает серийные модификации по сочетанию диаметра и толщины от 7 до 18 мм, а также варианты с подогревом, сигнальными огнями и подачей сигнала тревоги. Регулируемое время активации/деактивации от 7 до 10 секунд поддерживает быстрый цикл подъёма/опускания при интенсивной эксплуатации — более 500 циклов в сутки. Рабочий температурный диапазон от −50 °С до +65 °С расширяет область применения, а нержавеющие крышка и горизонтальные поверхности повышают коррозионную стойкость и долговечность узлов в уличных условиях.
Особенности
- Гидравлический исполнительный механизм с регулируемым временем подъёма и опускания от 7 до 10 секунд.
- Нержавеющая крышка и горизонтальные поверхности для повышенной коррозионной стойкости.
- Дистанционное управление: в комплекте 2 брелока ДУ.
- Наличие ИБП и сигнальных светодиодов для устойчивой работы и визуального контроля.
- Автоматическое опускание при перебое электропитания.
- Широкий модельный ряд по диаметрам и толщине стенки; варианты с подогревом и тревожной индикацией.
- Работа при экстремальных температурах от −50 °С до +65 °С.
Преимущества
- Высокая интенсивность эксплуатации — более 500 циклов в сутки.
- Повышенная механическая устойчивость и ресурс за счёт стали Fe 37 и нержавеющих элементов AISI.
- Быстрый цикл активации/деактивации для оживлённых зон въезда.
- Интегрируемость в комплексные системы безопасности и контроля доступа.
- Широкий температурный диапазон и погодоустойчивость для наружной установки.
Недостатки
- Требуется устройство фундамента и гидростанции 380/220 V.
- Периодическое техническое обслуживание гидросистемы.
- Необходимость прокладки коммуникаций для управления и сигнализации на объекте.

Технические характеристики:
- Движущая сила (исполнительный механизм): гидравлическая (гидроцилиндр)
- Основной цилиндр: Fe 37 сталь – толщина от 7 мм до 18 мм
- Покрытие цилиндра: нержавеющий лист
- Диаметр выдвигаемой части столба: 130 мм, 270 мм или 325 мм
- Высота наружной части подвижного цилиндра: от 500 мм до 1000 мм
- Крышка цилиндра: нержавеющая сталь AISI
- Покрытие горизонтальных поверхностей: нержавеющая сталь AISI
- Время подъема (опускания) платформы дорожного блокиратора: 7 – 10 сек.
- Питание: гидростанция 380/220V
- Система дистанционного управления: есть (в комплекте 2 брелока ДУ)
- Источник бесперебойного питания: есть
- Сигнальные светодиоды: есть
- Рассчитан на работу при температуре: от -50 град.С до +65 град.С
- Рассчитан на эксплуатацию с интенсивностью: более 500 циклов в сутки
- Выдерживают удар мощностью: 15 000 Дж.
- Вес изделия:
- диаметр 130 мм.: 45 кг
- диаметр 270 мм: 55 кг
- диаметр 325 мм: 70 кг
- Столб выдвижной телескопический БОЛЛАРД
- Маслонасосная станция 220/380 вольт
- Шкаф электроуправления
- Комплект рукавов высокого давления (РВД).
- Пульт дистанционного управления – 2 шт.
Бренд | Сатурн Конверсия |
Тип болларда | Автоматический |
Тип привода | Гидравлический |
Конструкция | Бетонируемый |
Подсветка | Встроенные светодиоды |
Ударопрочность | 15 000 Дж |
Скорость подъема | 7 сек. |
Скорость опускания | 7 сек. |
Высота болларда, мм | 500 |
Диаметр болларда, мм | 273 |
Напряжение питания | 220...380 В |
Потребляемый ток, макс. | 5 А |
Вес, кг | 155 |
Рабочая температура | от -50°C до +65°C |
Интенсивность использования | 500 циклов в сутки |
Гарантия | 1 год |
Страна производства | Россия |
Функция «Быстрый заказ» позволяет покупателю не проходить всю процедуру оформления заказа самостоятельно. Вы заполняете форму, и через короткое время вам перезвонит менеджер магазина. Он уточнит все условия заказа, ответит на вопросы, касающиеся качества товара, его особенностей. А также подскажет о вариантах оплаты и доставки.
По результатам звонка, пользователь либо, получив уточнения, самостоятельно оформляет заказ, укомплектовав его необходимыми позициями, либо соглашается на оформление в том виде, в котором есть сейчас. Получает подтверждение на почту или на мобильный телефон и ждёт доставки.
Оформление заказа в стандартном режиме
Если вы уверены в выборе, то можете самостоятельно оформить заказ, заполнив по этапам всю форму.
Заполнение адреса
Выберите из списка название вашего региона и населённого пункта. Если вы не нашли свой населённый пункт в списке, выберите значение «Другое местоположение» и впишите название своего населённого пункта в графу «Город». Введите правильный индекс.
Доставка
В зависимости от места жительства вам предложат варианты доставки. Выберите любой удобный способ. Подробнее об условиях доставки читайте в разделе «Доставка».
Оплата
Выберите оптимальный способ оплаты. Подробнее о всех вариантах читайте в разделе «Оплата»
Покупатель
Введите данные о себе: ФИО, адрес доставки, номер телефона. В поле «Комментарии к заказу» введите сведения, которые могут пригодиться курьеру, например: подъезды в доме считаются справа налево.
Оформление заказа
Проверьте правильность ввода информации: позиции заказа, выбор местоположения, данные о покупателе. Нажмите кнопку «Оформить заказ».
Наш сервис запоминает данные о пользователе, информацию о заказе и в следующий раз предложит вам повторить к вводу данные предыдущего заказа. Если условия вам не подходят, выбирайте другие варианты.
Если Вы хотите узнать об условиях доставки и оплаты, но не желаете о них читать, то Вы можете позвонить любому нашему сотруднику, и он обязательно Вам поможет.
Покупка за безналичный расчет
При оплате за безналичный расчет наш сотрудник свяжется с Вами, чтобы подтвердить заказ и уточнить сроки и адрес доставки. После оформления заказа сотрудник нашей компании вышлет вам счет, по которому необходимо будет произвести оплату.
После оплаты заказа к Вам приедет наш курьер, который доставит ваш заказ.
Самостоятельно забрать заказ из пунктов самовывоза Вы можете после его оплаты по безналичному расчету. Оплата доставки до пунктов выдачи транспортных компаний производится по тарифам выбранной Вами транспортной компании непосредственно в месте получения заказа.
Самовывоз из офиса нашей компании в Зеленограде, так же возможен после предоплаты по безналичному расчету, и предварительной договоренности с менеджером.
Интернет-магазин выполняет доставку любого товара своей собственной Службой доставки.
Стоимость доставки курьером
Стоимость доставки по Москве, Все товары —750 руб., бесплатная доставка от 25000 руб
Стоимость доставки по Московской области рассчитывается для каждого заказа индивидуально и зависит от суммарного веса товаров заказа и удаленности адреса доставки.
Время доставки
Время доставки согласовывается с менеджером Службы доставки, который обязательно свяжется с вами сразу после того, как вы разместите свой заказ.
Для осуществления доставки в регионы России мы пользуемся услугами компаний СДЭК, ЖелДорЭкспедиция, Автотрейдинг, Деловые Линии. В таком случае, указанными кампаниями взимается стоимость доставки по их внутренним тарифам с заказчика при получении товара.
Самовывоз
Забрать товар самостоятельно и абсолютно бесплатно можно только по адресу: Москва, Зеленоград, Панфиловский проспект, дом 10.
Забрать товар самовывозом можно по любому из адресов самовывоза указанных здесь, стоимость доставки до пункта самовывоза рассчитывается для каждого заказа по тарифам транспортных компаний.













