Дорожный блокиратор Silar ПЗП 4000 ГЗ — это мощное противотаранное устройство заглубленного монтажа, предназначенное для оперативного перекрытия проезда на охраняемых территориях, контрольно-пропускных пунктах, промышленных объектах и стратегически важных объектах. Конструкция обеспечивает надежную защиту от несанкционированного проезда транспортных средств, в том числе грузовиков массой до 30 тонн, и выдерживает удар с энергией до 1800 кДж при скорости 40 км/ч. Изделие имеет сертификат соответствия № РОСС RU.НА36.Н01603 и полностью отвечает требованиям ГОСТ.
Модель ПЗП 4000 ГЗ оснащена гидравлическим приводом, обеспечивающим быстрое поднятие заградительной платформы на высоту 450 мм всего за 3 секунды. При отсутствии электропитания предусмотрен ручной гидравлический насос для аварийного подъема платформы. Платформа выполнена из высокопрочной стали с рифленой антискользящей поверхностью, что гарантирует устойчивость колес даже при опущенном положении барьера. Благодаря врезному типу монтажа устройство полностью утоплено в дорожное покрытие и не мешает проезду транспорта с низким клиренсом.
Дорожный блокиратор ПЗП 4000 ГЗ рассчитан на эксплуатацию в экстремальных климатических условиях при температурах от −60 °C до +60 °C. Он устойчив к коррозии и рассчитан на длительную службу. Гидравлическая система подключается к внешней гидростанции, что обеспечивает стабильную работу и возможность объединения нескольких секций в линию. Конструкция оптимизирована для легкого монтажа, обслуживания и интеграции с системами контроля доступа и управления движением.
Особенности
- Гидравлический привод с подключением к внешней гидростанции
- Подъем платформы на 450 мм за 3 секунды
- Врезной тип установки заподлицо с дорожным покрытием
- Рифленая стальная поверхность для предотвращения скольжения
- Работа в диапазоне температур от −60 °C до +60 °C
- Возможность ручного подъема при отсутствии электропитания
- Совместимость с системами светофорного и дистанционного управления
Преимущества
- Выдерживает удар автомобиля массой 30 т на скорости 40 км/ч (1800 кДж)
- Максимальная нагрузка на ось до 30 тонн
- Быстрое время срабатывания и высокая надежность
- Простое техническое обслуживание и долговечность конструкции
- Сертификат соответствия и соответствие стандартам ГОСТ
Недостатки
- Необходимость установки внешней гидростанции
- Монтаж требует бетонирования основания
- Большая масса конструкции (до 620 кг)
Устройство и работа
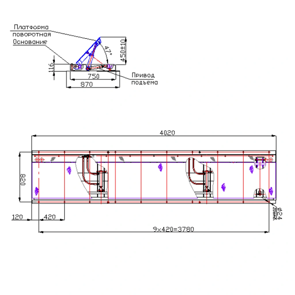
Конструкция ПЗП состоит из основания, платформы поворотной заградительной и привода подъёма.Конструктивно основание и платформа поворотная представляют собой раму, изготовленную из стального проката (рифленый лист, швеллер и профильная труба). К стационарной платформе посредством осей и блокирующих цепей крепится поворотная платформа. Поворотная платформа шарнирно связана с приводом подъёма, который расположен в центре подъемной платформы.
Привод подъема включает в себя: гидроцилиндр, поворотные шарниры, подводящие и отводящие гидролинии из напорных рукавов высокого давления.
Работа ПЗП
При нажатии кнопки «ВВЕРХ» давление масла подается в напорную подводящую линию гидроцилиндров. Шток гидроцилиндра сообщает движение платформе поворотной, и она занимает наклонное заградительное положение. Фиксирование поворотной платформы в заградительном состоянии осуществляется гидрораспределителем гидростанции, который запирает масло в подводящей напорной гидролинии. При подаче давления масла в обратную гидролинию, поворотная платформа опустится и займет горизонтальное положение.
Технические характеристики:
Основные параметры- Тип монтажа: заглубляемый в дорожное полотно
- Длина: 4020 мм
- Ширина: 870 мм
- Высота преграды: 116 мм
- Высота подъема заградительной платформы: 450 ± 15 мм
- Привод: гидравлический
- Давление масла в гидросистеме: 6–7 МПа
- Время подъема платформы: не более 3 с
- Максимальная нагрузка на ось: до 30 т
- Максимально выдерживаемая энергия удара: 1800 кДж (30 т на 40 км/ч)
- Штуцер под присоединение РВД: М16×1,5, конус 24°
- Крепление основания: болты фундаментные клиновые М20
- Рекомендованная глубина приямка: 600 мм
- Исполнение: УХЛ1 по ГОСТ 15150
- Температурный диапазон эксплуатации: от −60 °C до +60 °C
- Масса изделия: не более 620 кг
- Гарантийный срок: 12 месяцев со дня продажи
- Гарантия не распространяется на лакокрасочное покрытие
Модификации гидравлических противотаранных врезных блокираторов
- ПЗП 2000Гз - Длина 2000 мм, Ширина 870 мм, Высота преграды 116 мм, Высота подъема 500 мм
- ПЗП 2500Гз - Длина 2520 мм, Ширина 870 мм, Высота преграды 116 мм, Высота подъема 500 мм
- ПЗП 3000Гз - Длина 3020 мм, Ширина 870 мм, Высота преграды 116 мм, Высота подъема 450 мм
- ПЗП 3500Гз - Длина 3500 мм, Ширина 870 мм, Высота преграды 116 мм, Высота подъема 450 мм
- ПЗП 4000Гз - Длина 4020 мм, Ширина 870 мм, Высота преграды 116 мм, Высота подъема 450 мм
- ПЗП 5000Гз - Длина 5040 мм, Ширина 870 мм, Высота преграды 116 мм, Высота подъема 450 мм
- ПЗП 6000Гз - Длина 6020 мм, Ширина 870 мм, Высота преграды 116 мм, Высота подъема 500 мм
- Гидростанция СР50 в защищенном боксе, с блоком управления системой аварийного открытия рассчитанная на блокиратор до 6 м
- Комплект рукавов высокого давления 10 м
- Светофор двухсекционный
- Стойка под крепление светофора
- Комплект фотоэлементов
- Стойка под фотоэлемент
- Предупреждающий знак
- Стойка под предупреждающий знак
- Плата радиоуправления с выносной антенной
- Брелок радиоуправления
- Комплект подогрева рукавов высокого давления
Бренд | Silar |
Тип блокиратора | Автоматический |
Тип привода | Гидравлический |
Конструкция | Противотаранный |
Нагрузка на ось | 30 тонн |
Скорость подъема | 3 сек. |
Сопротивление проникновению | 1 800 кДж |
Сопротивление наезду | 30000 кг / 40 км/ч |
Тип монтажа | Встраиваемый |
Ширина, мм | 4020 |
Высота, мм | 450 |
Глубина, мм | 870 |
Вес, кг | 620 |
Рабочая температура | от -60°С до +60°С |
Гарантия | 1 год |
Страна производства | Россия |
Функция «Быстрый заказ» позволяет покупателю не проходить всю процедуру оформления заказа самостоятельно. Вы заполняете форму, и через короткое время вам перезвонит менеджер магазина. Он уточнит все условия заказа, ответит на вопросы, касающиеся качества товара, его особенностей. А также подскажет о вариантах оплаты и доставки.
По результатам звонка, пользователь либо, получив уточнения, самостоятельно оформляет заказ, укомплектовав его необходимыми позициями, либо соглашается на оформление в том виде, в котором есть сейчас. Получает подтверждение на почту или на мобильный телефон и ждёт доставки.
Оформление заказа в стандартном режиме
Если вы уверены в выборе, то можете самостоятельно оформить заказ, заполнив по этапам всю форму.
Заполнение адреса
Выберите из списка название вашего региона и населённого пункта. Если вы не нашли свой населённый пункт в списке, выберите значение «Другое местоположение» и впишите название своего населённого пункта в графу «Город». Введите правильный индекс.
Доставка
В зависимости от места жительства вам предложат варианты доставки. Выберите любой удобный способ. Подробнее об условиях доставки читайте в разделе «Доставка».
Оплата
Выберите оптимальный способ оплаты. Подробнее о всех вариантах читайте в разделе «Оплата»
Покупатель
Введите данные о себе: ФИО, адрес доставки, номер телефона. В поле «Комментарии к заказу» введите сведения, которые могут пригодиться курьеру, например: подъезды в доме считаются справа налево.
Оформление заказа
Проверьте правильность ввода информации: позиции заказа, выбор местоположения, данные о покупателе. Нажмите кнопку «Оформить заказ».
Наш сервис запоминает данные о пользователе, информацию о заказе и в следующий раз предложит вам повторить к вводу данные предыдущего заказа. Если условия вам не подходят, выбирайте другие варианты.
Если Вы хотите узнать об условиях доставки и оплаты, но не желаете о них читать, то Вы можете позвонить любому нашему сотруднику, и он обязательно Вам поможет.
Покупка за безналичный расчет
При оплате за безналичный расчет наш сотрудник свяжется с Вами, чтобы подтвердить заказ и уточнить сроки и адрес доставки. После оформления заказа сотрудник нашей компании вышлет вам счет, по которому необходимо будет произвести оплату.
После оплаты заказа к Вам приедет наш курьер, который доставит ваш заказ.
Самостоятельно забрать заказ из пунктов самовывоза Вы можете после его оплаты по безналичному расчету. Оплата доставки до пунктов выдачи транспортных компаний производится по тарифам выбранной Вами транспортной компании непосредственно в месте получения заказа.
Самовывоз из офиса нашей компании в Зеленограде, так же возможен после предоплаты по безналичному расчету, и предварительной договоренности с менеджером.
Интернет-магазин выполняет доставку любого товара своей собственной Службой доставки.
Стоимость доставки курьером
Стоимость доставки по Москве, Все товары —750 руб., бесплатная доставка от 25000 руб
Стоимость доставки по Московской области рассчитывается для каждого заказа индивидуально и зависит от суммарного веса товаров заказа и удаленности адреса доставки.
Время доставки
Время доставки согласовывается с менеджером Службы доставки, который обязательно свяжется с вами сразу после того, как вы разместите свой заказ.
Для осуществления доставки в регионы России мы пользуемся услугами компаний СДЭК, ЖелДорЭкспедиция, Автотрейдинг, Деловые Линии. В таком случае, указанными кампаниями взимается стоимость доставки по их внутренним тарифам с заказчика при получении товара.
Самовывоз
Забрать товар самостоятельно и абсолютно бесплатно можно только по адресу: Москва, Зеленоград, Панфиловский проспект, дом 10.
Забрать товар самовывозом можно по любому из адресов самовывоза указанных здесь, стоимость доставки до пункта самовывоза рассчитывается для каждого заказа по тарифам транспортных компаний.









