Напольный доводчик dormakaba BTS65 созданный специально для удовлетворения специальных требований напольный доводчик для маятниковых дверей BTS 65 отличается компактным размером и требует минимального паза в полу при установке.
Напольный доводчик для маятниковых дверей с гидравлически контролируемым циклом закрывания от 130° и торможением открывания, в комплекте с цементным коробом. Сертифицирован в соответствии со стандартом EN 1154.
Эта модель специально разработана с учетом особенностей маятниковых дверей.
Созданный специально для удовлетворения специальных требований напольный доводчик для маятниковых дверей BTS 65 отличается компактным размером и требует минимального паза в полу при установке.
Благодаря двум диапазонам закрывания BTS 65 может использоваться практически в любой области применения, обеспечивая при этом гарантированную надежность и качество dormakaba.
dormakaba BTS 65 исполняются в двух вариантах с усилием закрывания EN 3 или EN 4; модель подходит для дверей до 1100 мм в ширину и весом до 100 кг.
• Производитель, имеющий сертификацию ISO 9001
• Специальный плоский дизайн
• Опционально функция удержание в открытом положении
• Простая установка благодаря плоскому дизайну
• Соответствует многим требованиям
Практичный зажим для крепления напольного дверного доводчика BTS 65 обеспечивает безопасный и высокоточный монтаж
Аксессуары для напольных доводчиков dormakaba BTS
dormakaba 2300 уплотнитель. Для заполнения полости между доводчиком и пазом для предотвращения проникновения влаги.
Шпиндели. Расстояние до пола можно регулировать по мере необходимости путем простой замены вставки шпинделя с другим размером.
Специальные шпиндели предоставляются по запросу.
Универсальная крышка. Изготавливаются из нержавеющей стали или матовой латуни
Преимущества для торговых представителей/дистрибьюторов
Замечательное соотношение цены и качества
Широкий выбор аксессуаров для различных условий монтажа
Преимущества для установщиков/изготовителей
Удобство монтажа благодаря плоской конструкции
Легкость адаптации к конкретным условиям благодаря клапану двойного действия – от 130° до 0° и от 15° до 20°.
Доступны сменные вставные шпиндели
Преимущества для архитекторов/заказчиков
Минимальная глубина паза в полу
Подходит для дверей весом до 100 кг
Качество dormakaba
Преимущества для пользователя
Плавное закрывание напольного доводчика BTS 65
Удобное открытие дверей с малым усилием
Опциональная функция удержания двери в открытом положении (90°)
Стандартные и опциональные функции

1. Регулируемая базовая скорость закрывания в диапазоне 130° - 0°
2. Регулируемая повышенная скорость закрывания в диапазоне 130°- 20°
3. Фиксация в открытом положении при угле 90° (опционально)
Регулировка
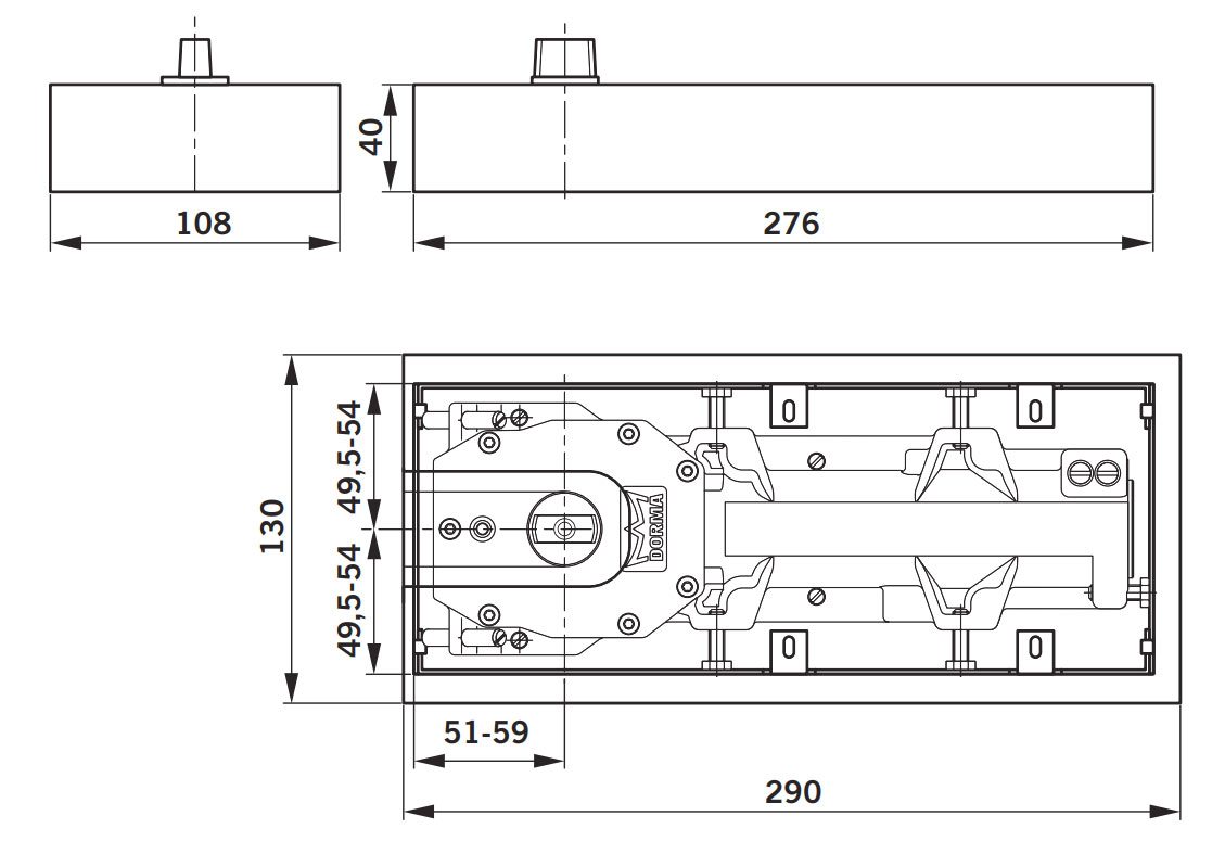
Практичное зажимное крепление корпуса доводчика BTS 65 в цементном коробе.
Диапазон регулировок корпуса доводчика в цементном коробе:
Наклонные винты – 9 мм
Продольные винты – 8 мм
Вертикальные винты – 6 мм

1 Клапан для настройки базовой скорости в диапазоне 130° - 0°
2 Клапан для настройки повышенной скорости в диапазоне 130° - 20°
Технические характеристики BTS 65:
• Усилие закрывания: Типоразмер EN 3, EN 4
• Максимальная ширина дверей*:
- EN 3: 950 мм
- EN 4: 1100 мм
• Наружные двери, открываемые наружу**: Да
• Максимальный вес, кг 100 100
• Регулировка скорости закрывания клапанами: Да
• Амортизатор открывания (backcheck): Нет
• Задержка закрывания: Нет
• Фиксация в открытом положении 90°: Опция
• Масса 4 кг
• Габариты: 276х108х40 мм
• Дверной доводчик прошел испытания на соответствие EN 1154: Да
• Маркировка строительных товаров: Да
* Для особенно высоких или тяжелых дверей, наружных дверей, которые должны закрываться под действием сильного ветра, мы рекомендуем подбирать доводчик с усилием выше на единицу, чем требуется при данной ширине двери, либо выбирать модель dormakaba BTS 80.
** Максимальный угол открывания – 130°. Если есть вероятность открытия двери более чем на 130°, необходимо использовать дверной стопор.
Доступные модели:
• BTS65, EN 3, 0˚, со шп. (25030101)
• BTS65, EN 4, 0˚, со шп. (25040101)
• BTS65, EN 3, 90˚, без шп. (25130100)
• BTS65, EN 3, 90˚, со шп. (25130101)
• BTS65, EN 4, 90˚, со шп. (25140101)
• Крышка BTS65, нерж. сталь, (46700086)
• Крышка BTS65 с аксесс., матов.латунь (46700186)
Бренд доводчика | dormakaba |
Вид товара | Доводчик |
Вид доводчика | Напольный |
Стандарт EN1154 | EN3 |
Макс. вес двери, кг | 100 |
Макс. ширина двери, мм | 950 |
Задержка закрывания | Нет |
Фиксация в открытом положении | Опция |
Регулировка скорости закрывания клапанами | Есть |
Серия доводчиков | dormakaba BTS |
Свойства | Открывается в обе стороны |
Габариты | 276х108х40 мм |
Гарантия | 2 года |
Страна производства | Германия |
Функция «Быстрый заказ» позволяет покупателю не проходить всю процедуру оформления заказа самостоятельно. Вы заполняете форму, и через короткое время вам перезвонит менеджер магазина. Он уточнит все условия заказа, ответит на вопросы, касающиеся качества товара, его особенностей. А также подскажет о вариантах оплаты и доставки.
По результатам звонка, пользователь либо, получив уточнения, самостоятельно оформляет заказ, укомплектовав его необходимыми позициями, либо соглашается на оформление в том виде, в котором есть сейчас. Получает подтверждение на почту или на мобильный телефон и ждёт доставки.
Оформление заказа в стандартном режиме
Если вы уверены в выборе, то можете самостоятельно оформить заказ, заполнив по этапам всю форму.
Заполнение адреса
Выберите из списка название вашего региона и населённого пункта. Если вы не нашли свой населённый пункт в списке, выберите значение «Другое местоположение» и впишите название своего населённого пункта в графу «Город». Введите правильный индекс.
Доставка
В зависимости от места жительства вам предложат варианты доставки. Выберите любой удобный способ. Подробнее об условиях доставки читайте в разделе «Доставка».
Оплата
Выберите оптимальный способ оплаты. Подробнее о всех вариантах читайте в разделе «Оплата»
Покупатель
Введите данные о себе: ФИО, адрес доставки, номер телефона. В поле «Комментарии к заказу» введите сведения, которые могут пригодиться курьеру, например: подъезды в доме считаются справа налево.
Оформление заказа
Проверьте правильность ввода информации: позиции заказа, выбор местоположения, данные о покупателе. Нажмите кнопку «Оформить заказ».
Наш сервис запоминает данные о пользователе, информацию о заказе и в следующий раз предложит вам повторить к вводу данные предыдущего заказа. Если условия вам не подходят, выбирайте другие варианты.
Если Вы хотите узнать об условиях доставки и оплаты, но не желаете о них читать, то Вы можете позвонить любому нашему сотруднику, и он обязательно Вам поможет.
Покупка за безналичный расчет
При оплате за безналичный расчет наш сотрудник свяжется с Вами, чтобы подтвердить заказ и уточнить сроки и адрес доставки. После оформления заказа сотрудник нашей компании вышлет вам счет, по которому необходимо будет произвести оплату.
После оплаты заказа к Вам приедет наш курьер, который доставит ваш заказ.
Самостоятельно забрать заказ из пунктов самовывоза Вы можете после его оплаты по безналичному расчету. Оплата доставки до пунктов выдачи транспортных компаний производится по тарифам выбранной Вами транспортной компании непосредственно в месте получения заказа.
Самовывоз из офиса нашей компании в Зеленограде, так же возможен после предоплаты по безналичному расчету, и предварительной договоренности с менеджером.
Интернет-магазин выполняет доставку любого товара своей собственной Службой доставки.
Стоимость доставки курьером
Стоимость доставки по Москве, Все товары —750 руб., бесплатная доставка от 25000 руб
Стоимость доставки по Московской области рассчитывается для каждого заказа индивидуально и зависит от суммарного веса товаров заказа и удаленности адреса доставки.
Время доставки
Время доставки согласовывается с менеджером Службы доставки, который обязательно свяжется с вами сразу после того, как вы разместите свой заказ.
Для осуществления доставки в регионы России мы пользуемся услугами компаний СДЭК, ЖелДорЭкспедиция, Автотрейдинг, Деловые Линии. В таком случае, указанными кампаниями взимается стоимость доставки по их внутренним тарифам с заказчика при получении товара.
Самовывоз
Забрать товар самостоятельно и абсолютно бесплатно можно только по адресу: Москва, Зеленоград, Панфиловский проспект, дом 10.
Забрать товар самовывозом можно по любому из адресов самовывоза указанных здесь, стоимость доставки до пункта самовывоза рассчитывается для каждого заказа по тарифам транспортных компаний.







