Дуга ограждения-калитки «Ростов-Дон ОК61» может быть зафиксирована с помощью замка-стопора в трех положениях.
Ограждение-калитка не имеет механизма возврата дуги в исходное положение; на пластиковой вставке с двух сторон изображен знак запрета прохода.
На пластиковой вставке с двух сторон изображен знак запрета прохода.
Преимуществами ограждений-калиток серии ОК61 являются:
• Дизайн в едином стиле с калиткой К11К;
• Корпус калитки изготовлен из стали, крашеной в любой цвет по RAL, или хромированной стали, преграждающие дуги - из хромированной или нержавеющей стали;
• Может комплектоваться ограждениями, выполненными с ним в едином дизайне и стыкуемыми со стойкой.
По условиям применения ограждения-калитки соответствуют группе УХЛ 4.2 по ГОСТ 15150-69 и предназначены для эксплуатации внутри помещения при температуре от +1°С до +50°С. Ограждения-калитки из нержавеющей стали (ОК61-Нерж) предназначены для эксплуатации вне помещений под навесом при температуре от -30°С до +50°С.
Технические данные:
• Масса ограждения, кг: 10
• Габаритные размеры при дуге 700 мм: 845х190х1090
• Ширина перекрытия прохода при дуге 700 мм: 845
Устройство и принцип работы
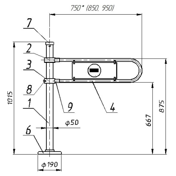
Ограждение ОК61 состоит из стойки 1, на которой установлены поворотные кольца с подшипниками 2 и 3 для крепления дуги 4, которая служит для перекрытия прохода. Место крепления дуги закрыто декоративными втулками 9. Стойка 1 имеет фланец для крепления к полу с тремя отверстиями диаметром 13мм, который закрыт крышкой 6. Сверху стойка закрыта крышкой 7.
Для фиксации (запирания) дуги 4 в одном из положений под углом 90º служит запорное устройство 8 в виде замка-штыря. Запорное устройство может быть выполнено по заказу также в виде английского замка.
Ограждение-калитка ОК61 может быть состыковано с ограждениями ОС1, ОС1у от одного до трех в любых комбинациях. Для стыковки стойки ограждения-калитки с ограждениями служат муфты, расположенные на стойке 1, количество и расположение муфт оговаривается при заказе.

Подготовка к работе и порядок установки
Распакуйте ограждение-калитку, проверьте его комплектность.
Сделайте разметку в полу под крепежные (анкерные) болты по отверстиям во фланце, установив ограждение на его рабочее место. Подготовьте и закрепите крепежные (анкерные) болты.
Установите на место дугу 4.
После завершения монтажа ограждение-калитка готово к работе.
Внимание! Изготовитель оставляет за собой право вносить в конструкцию калитки усовершенствования без отражения их в паспорте.
Комплект поставки:
Стойка ограждения - 1 шт.
Паспорт. Руководство по эксплуатации - 1 шт.
Дуга с декоративной вставкой (створка) поставляется отдельно!
Бренд | Ростов-Дон |
Вид калитки | Полуростовая |
Исполнение | Для помещений |
Тип калитки | Механическая |
Направление поворота | В обе стороны |
Материал | Хромированная сталь |
Габариты | 860х190х1090 мм |
Ширина перекрываемого прохода | 860 мм |
Вес, кг | 10 |
Рабочая температура | от +1°C до +50°C |
Средний срок службы | Не менее 8 лет |
Гарантия | 2 года |
Страна производства | Россия |
Функция «Быстрый заказ» позволяет покупателю не проходить всю процедуру оформления заказа самостоятельно. Вы заполняете форму, и через короткое время вам перезвонит менеджер магазина. Он уточнит все условия заказа, ответит на вопросы, касающиеся качества товара, его особенностей. А также подскажет о вариантах оплаты и доставки.
По результатам звонка, пользователь либо, получив уточнения, самостоятельно оформляет заказ, укомплектовав его необходимыми позициями, либо соглашается на оформление в том виде, в котором есть сейчас. Получает подтверждение на почту или на мобильный телефон и ждёт доставки.
Оформление заказа в стандартном режиме
Если вы уверены в выборе, то можете самостоятельно оформить заказ, заполнив по этапам всю форму.
Заполнение адреса
Выберите из списка название вашего региона и населённого пункта. Если вы не нашли свой населённый пункт в списке, выберите значение «Другое местоположение» и впишите название своего населённого пункта в графу «Город». Введите правильный индекс.
Доставка
В зависимости от места жительства вам предложат варианты доставки. Выберите любой удобный способ. Подробнее об условиях доставки читайте в разделе «Доставка».
Оплата
Выберите оптимальный способ оплаты. Подробнее о всех вариантах читайте в разделе «Оплата»
Покупатель
Введите данные о себе: ФИО, адрес доставки, номер телефона. В поле «Комментарии к заказу» введите сведения, которые могут пригодиться курьеру, например: подъезды в доме считаются справа налево.
Оформление заказа
Проверьте правильность ввода информации: позиции заказа, выбор местоположения, данные о покупателе. Нажмите кнопку «Оформить заказ».
Наш сервис запоминает данные о пользователе, информацию о заказе и в следующий раз предложит вам повторить к вводу данные предыдущего заказа. Если условия вам не подходят, выбирайте другие варианты.
Если Вы хотите узнать об условиях доставки и оплаты, но не желаете о них читать, то Вы можете позвонить любому нашему сотруднику, и он обязательно Вам поможет.
Покупка за безналичный расчет
При оплате за безналичный расчет наш сотрудник свяжется с Вами, чтобы подтвердить заказ и уточнить сроки и адрес доставки. После оформления заказа сотрудник нашей компании вышлет вам счет, по которому необходимо будет произвести оплату.
После оплаты заказа к Вам приедет наш курьер, который доставит ваш заказ.
Самостоятельно забрать заказ из пунктов самовывоза Вы можете после его оплаты по безналичному расчету. Оплата доставки до пунктов выдачи транспортных компаний производится по тарифам выбранной Вами транспортной компании непосредственно в месте получения заказа.
Самовывоз из офиса нашей компании в Зеленограде, так же возможен после предоплаты по безналичному расчету, и предварительной договоренности с менеджером.
Интернет-магазин выполняет доставку любого товара своей собственной Службой доставки.
Стоимость доставки курьером
Стоимость доставки по Москве, Все товары —750 руб., бесплатная доставка от 25000 руб
Стоимость доставки по Московской области рассчитывается для каждого заказа индивидуально и зависит от суммарного веса товаров заказа и удаленности адреса доставки.
Время доставки
Время доставки согласовывается с менеджером Службы доставки, который обязательно свяжется с вами сразу после того, как вы разместите свой заказ.
Для осуществления доставки в регионы России мы пользуемся услугами компаний СДЭК, ЖелДорЭкспедиция, Автотрейдинг, Деловые Линии. В таком случае, указанными кампаниями взимается стоимость доставки по их внутренним тарифам с заказчика при получении товара.
Самовывоз
Забрать товар самостоятельно и абсолютно бесплатно можно только по адресу: Москва, Зеленоград, Панфиловский проспект, дом 10.
Забрать товар самовывозом можно по любому из адресов самовывоза указанных здесь, стоимость доставки до пункта самовывоза рассчитывается для каждого заказа по тарифам транспортных компаний.


