Стандартно турникеты выпускаются в хромированном исполнении. По условиям применения турникеты соответствуют группе УХЛ 4.2 по ГОСТ 15150-69. Турникеты предназначены для эксплуатации внутри помещения при температуре от +1°С до +50°С.
Возможно изготовление турникетов из нержавеющей стали («Ростов-Дон Р32М-нерж», «Ростов-Дон Р31Мпр-Нерж», «Ростов-Дон Р31Млв-Нерж»), которые можно эксплуатировать вне помещений при температуре от -40°С до +50°С при условии защиты от осадков (под навесом).
Комплект поставки:• Стойка турникета: 1 шт.
• Дуга: 4 шт.
• Стойка ограждения: 1 шт.
• Горизонтальные перемычки ограждения: 2 шт.
• Паспорт. Руководство по эксплуатации: 1 шт.
Турникеты по заказу могут быть снабжены замками-стопорами.
Выпускаемые модели турникетов:
• Р32М - турникет двухсторонний
- обеспечивают пропуск в любом из двух направлений ("вход" и "выход").
• Р31Мпр - турникет односторонний правый
• Р31Млв - турникет односторонний левый
- обеспечивают пропуск в одном направлении:
- по часовой стрелке при виде сверху - турникеты Р31Мпр
- против часовой стрелки при виде сверху - турникеты Р31Млв
Характеристики:
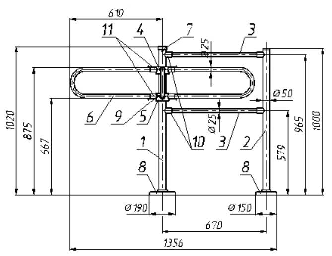
• Габаритные размеры, мм: 1356х1220х1020
• Ширина перекрытия прохода, мм: 1356
• Масса турникета, кг: 15
Устройство и принцип работы
Турникет состоит из: стойки турникета 1, стойки ограждения 2, горизонтальных перемычек 3. На стойке 1 установлены кольца – верхнее 4 и нижнее 5. В кольцо 4 вмонтирован механизм поворота. С кольцами соединены дуги 6, которые служат для перекрытия прохода. В верхней части стойки 1 имеется надставка 7. В нижней части стоек 1 и 2 расположены кожухи 8, под которыми находятся фланцы для крепления стоек к полу.

Дуги 6 вращаются вместе с поворотным механизмом вокруг вертикальной оси стойки 1 в одну сторону - модели Р31Млв и Р31Мпр и в обе стороны – модель Р32. При попытке прохода в обратном направление в турникетах Р31Млв и Р31Мпр срабатывает механизм стопорения.
В качестве дополнительной опции для фиксирования турникета в закрытом положении устанавливается замок-стопор поз.9 (или под английский ключ, или штыревого типа) на верхнем кольце 4 - в турникетах Р32, и на нижнем кольце 5 – в турникетах Р31Млв и Р31Мпр.
Подготовка к работе и порядок установки
Распакуйте турникет, проверьте его комплектность.
Соедините стойку турникета 1 и стойку ограждения 2 перемычками 3, зафиксируйте перемычки винтами муфт 10.
Сделайте разметку в полу под крепежные (анкерные) болты по отверстиям во фланцах, установив турникет на его рабочее место. Подготовьте и закрепите крепежные (анкерные) болты.

Установите турникет.
Установите на место дуги 6. Для этого наденьте дуги на специальные пальцы, закройте место соединения декоративными втулками 11, зафиксируйте дуги винтами М8 шестигранным ключом №6 и декоративные втулки установочными винтами.
После завершения монтажа турникет готов к работе.
Внимание! Изготовитель оставляет за собой право вносить в конструкцию турникета усовершенствования, не ухудшающие потребительских свойств, без отражения их в паспорте.
Правила эксплуатации и режимы работы
При эксплуатации не допускается:
• использование абразивных и химически активных веществ (в том числе ацетона, бензина, растворителей, хлорсодержащих и кислотосодержащих моющих веществ) для очистки наружных поверхностей турникета; для ухода за турникетом рекомендуется периодически протирать наружные поверхности из хромированной и нержавеющей стали полиролем для хрома;
• перемещение через зону прохода турникета предметов, превышающих ширину проема прохода;
• прикладывание к преграждающим дугам усилий, превышающих паспортное значение.
Бренд | Ростов-Дон |
Вид калитки | Полуростовая |
Исполнение | Для помещений |
Тип калитки | Механическая |
Направление поворота | Левое |
Материал | Хромированная сталь |
Габариты | 1356х1220х1020 мм |
Ширина перекрываемого прохода | 1356 мм |
Вес, кг | 15 |
Рабочая температура | от +1°C до +50°C |
Средний срок службы | Не менее 8 лет |
Гарантия | 2 года |
Страна производства | Россия |
Функция «Быстрый заказ» позволяет покупателю не проходить всю процедуру оформления заказа самостоятельно. Вы заполняете форму, и через короткое время вам перезвонит менеджер магазина. Он уточнит все условия заказа, ответит на вопросы, касающиеся качества товара, его особенностей. А также подскажет о вариантах оплаты и доставки.
По результатам звонка, пользователь либо, получив уточнения, самостоятельно оформляет заказ, укомплектовав его необходимыми позициями, либо соглашается на оформление в том виде, в котором есть сейчас. Получает подтверждение на почту или на мобильный телефон и ждёт доставки.
Оформление заказа в стандартном режиме
Если вы уверены в выборе, то можете самостоятельно оформить заказ, заполнив по этапам всю форму.
Заполнение адреса
Выберите из списка название вашего региона и населённого пункта. Если вы не нашли свой населённый пункт в списке, выберите значение «Другое местоположение» и впишите название своего населённого пункта в графу «Город». Введите правильный индекс.
Доставка
В зависимости от места жительства вам предложат варианты доставки. Выберите любой удобный способ. Подробнее об условиях доставки читайте в разделе «Доставка».
Оплата
Выберите оптимальный способ оплаты. Подробнее о всех вариантах читайте в разделе «Оплата»
Покупатель
Введите данные о себе: ФИО, адрес доставки, номер телефона. В поле «Комментарии к заказу» введите сведения, которые могут пригодиться курьеру, например: подъезды в доме считаются справа налево.
Оформление заказа
Проверьте правильность ввода информации: позиции заказа, выбор местоположения, данные о покупателе. Нажмите кнопку «Оформить заказ».
Наш сервис запоминает данные о пользователе, информацию о заказе и в следующий раз предложит вам повторить к вводу данные предыдущего заказа. Если условия вам не подходят, выбирайте другие варианты.
Если Вы хотите узнать об условиях доставки и оплаты, но не желаете о них читать, то Вы можете позвонить любому нашему сотруднику, и он обязательно Вам поможет.
Покупка за безналичный расчет
При оплате за безналичный расчет наш сотрудник свяжется с Вами, чтобы подтвердить заказ и уточнить сроки и адрес доставки. После оформления заказа сотрудник нашей компании вышлет вам счет, по которому необходимо будет произвести оплату.
После оплаты заказа к Вам приедет наш курьер, который доставит ваш заказ.
Самостоятельно забрать заказ из пунктов самовывоза Вы можете после его оплаты по безналичному расчету. Оплата доставки до пунктов выдачи транспортных компаний производится по тарифам выбранной Вами транспортной компании непосредственно в месте получения заказа.
Самовывоз из офиса нашей компании в Зеленограде, так же возможен после предоплаты по безналичному расчету, и предварительной договоренности с менеджером.
Интернет-магазин выполняет доставку любого товара своей собственной Службой доставки.
Стоимость доставки курьером
Стоимость доставки по Москве, Все товары —750 руб., бесплатная доставка от 25000 руб
Стоимость доставки по Московской области рассчитывается для каждого заказа индивидуально и зависит от суммарного веса товаров заказа и удаленности адреса доставки.
Время доставки
Время доставки согласовывается с менеджером Службы доставки, который обязательно свяжется с вами сразу после того, как вы разместите свой заказ.
Для осуществления доставки в регионы России мы пользуемся услугами компаний СДЭК, ЖелДорЭкспедиция, Автотрейдинг, Деловые Линии. В таком случае, указанными кампаниями взимается стоимость доставки по их внутренним тарифам с заказчика при получении товара.
Самовывоз
Забрать товар самостоятельно и абсолютно бесплатно можно только по адресу: Москва, Зеленоград, Панфиловский проспект, дом 10.
Забрать товар самовывозом можно по любому из адресов самовывоза указанных здесь, стоимость доставки до пункта самовывоза рассчитывается для каждого заказа по тарифам транспортных компаний.


