Места применения
Замок ABLOY EL582 рекомендован для использования во внутренних дверях коммерческих и общественных зданий, больниц, образовательных учреждений и во внешних дверях частных домов и коттеджей. Замки с управлением от ручки не могут быть использованы с приводами дверной автоматики.
Комплект поставки:
• Электромеханический замок
• Контактные муфты
• Крепежные винты
• Инструкция установке и монтажу
Дверные ручки Abloy не входят в комплект поставки и приобретаются отдельно.
Функционирование
Режим работы замков с электрически управляемой ручкой можно выбрать как нормально открытый, так и нормально закрытый. В нормально закрытом режиме замок снаружи может быть открыть нажимной ручкой при подаче питания, без питания ручка имеет свободный ход. В нормально открытом режиме замок снаружи может быть открыт при снятии питания. Замки всегда автоматически запираются, при закрывании двери. В замке ABLOY EL582 внешняя и внутренняя ручки электрически контролируется. Для корректной работы ручки используется сплошной шток. Также замок всегда можно открыть от цилиндра механическим способом с помощью ключа.
Особенности
• Уличная ручка подключается (или отключается) к механизму убирания ригеля от сигнала управления (подается или снимается электропитание)
• Сигнал управления не убирает ригель внутрь корпуса, а только вводит в зацепление механизм поворота, который при нажатии на фалевую ручку убирает ригель внутрь корпуса
• Внутренняя ручка постоянно подключена к механизму поворота замка (свободный выход из помещения)
• Внутреннюю и наружную ручки можно контролировать с помощью электричества. При режиме работы «закрыт без питания» ручки действуют, если питание включено; не действуют, если питание отключено. При режиме «открыт без питания» ручки действуют противоположным образом. Замок всегда можно открыть ключом или поворотной кнопкой цилиндра
• Замок защелкивается автоматически при закрывании двери. Выход ригеля можно изменять (14 или 20 мм). Управление замком осуществляется различными импульсными устройствами («сухие контакты», работающие на замыкание). Например считыватели, нажимные кнопки, СКУД, таймеры и т.д.
• Функционально замок можно выставить, как нормально закрытый (закрыт без питания), так и нормально открытый (открыт без питания)
• Замок не подходит для использования с распашной автоматикой для дверей
• Обработка: сталь хромированная
Работа электромеханического замка под управлением контроллера СКУД
Замки с управлением от ручки можно выставить, как нормально закрытые, так и нормально открытые. При установке нормально закрытый, замок можно открыть от ручки, когда питание включено и нельзя открыть, когда питание отключено. При установке нормально открытый, электрическая функция меняется на противоположную.
Замки автоматически защёлкиваются, когда дверь закрывается. Манипуляция с язычком невозможна. Замок защёлкивается только, когда дверь закрыта (выход ригеля 20 мм у EL580 / EL582). В замках ABLOY® EL580 и PE580 внешняя ручка электрически управляемая.
Замок можно всегда открыть от внутренней ручки (EL580 / EN 179) или эвакуационной штанги (PE580 / EN 1125). Для правильной работы ручки требуется раздельный шток. Механическое открывание от цилиндра возможно всегда. У замка ABLOY® EL582 как внутренняя, так и внешняя ручки электрически управляемые. Механическое открывание от цилиндра или поворотной кнопки возможно всегда.
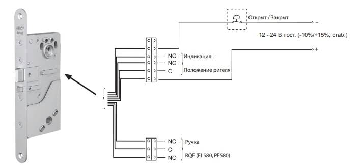
Схема подключения замка EL582 к устройствам СКУД

Индикация
Замки оборудованы следующими выводами индикации:
• положение ригеля
• ручка нажата
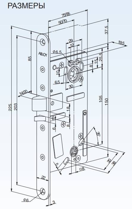
Технические характеристики ABLOY EL582:
• Рабочее напряжение: 12 или 24 В постоянного тока (-10% - +15%)
• Рабочий ток:
- максимальный 0,55 А (12 В) или 0,27 А (24 В),
- ток покоя 0,24 А (12 В) или 0,11 А (24 В)
• Диапазон температур: -20 °С…+60 °С
• Выход ригеля: 14 мм / 20 мм
• Расстояние от поверхности передней планки до середины отверстия под цилиндр: 50 мм / 70 мм
• Передняя планка 22 мм
• Шпиндель замка: 8 мм
• Обработка планки: Хромирование
• Стандарты: EN 1634-1 Противопожарный, EN 61000-6-1: 2001 ЭМС, EN 61000-6-3: 2001 ЭМС, EN 12209: 2004 Механическая выносливость, EN 179: 2008 Аварийный выход (EL580), EN1125: 1997/A1: 2001 Эвакуационный выход (PE580)

Внимание 1 (Диод)
При подключении электромагнитных или электромеханических замков постоянного тока к контроллеру СКУД, их необходимо шунтировать диодами. Наиболее часто используется диод 1N4007.
Категорически запрещается использование замков с не подключёнными защитными диодами! ЭДС самоиндукции, возникающая на катушке замка при размыкании питания, может достигать нескольких сотен вольт.
При отсутствии защитного диода за счёт искрообразования происходит обгорание контактов реле контроллера СКУД и выход его из строя.
Внимание 2 (Блок питания)
Электромагнитные и электромеханические замки необходимо запитывать от отдельного источника питания. При использовании общего блока питания для замка и контроллера СКУД высоковольтные помехи на линии питания могут вызывать сбои в работе контроллера.
Провода питания вести отдельным кабелем для исключения влияния электромагнитных импульсов, генерируемых при срабатывании замков, на работу контроллера СКУД. В противном случае, большинством производителей контроллеров, не гарантируется стабильная работа контроллера СКУД.
Бренд | Abloy |
Исполнение | Уличное |
Тип замка | Электромеханический замок |
Вид замка | Врезной |
Назначение замка | На любой тип дверей, На дверь в квартиру, Стандартные двери, Для пожарных систем |
Возможность открытия ключом | есть |
Встроенные датчики | Нет датчиков |
Тип блокировки | Нормально закрытый (НЗ), Нормально открытый (НО) |
Высота замка, мм | 150 |
Глубина замка, мм | 75 |
Ширина замка, мм | 19 |
Клавиатура | Нет |
Напряжение питания | 12 В / 24 В |
Потребляемый ток, макс. | 550 мА |
Рабочая температура | от -20°C до +60°C |
Цвет | Металл |
Гарантия | 1 год |
Страна производства | Финляндия |
Функция «Быстрый заказ» позволяет покупателю не проходить всю процедуру оформления заказа самостоятельно. Вы заполняете форму, и через короткое время вам перезвонит менеджер магазина. Он уточнит все условия заказа, ответит на вопросы, касающиеся качества товара, его особенностей. А также подскажет о вариантах оплаты и доставки.
По результатам звонка, пользователь либо, получив уточнения, самостоятельно оформляет заказ, укомплектовав его необходимыми позициями, либо соглашается на оформление в том виде, в котором есть сейчас. Получает подтверждение на почту или на мобильный телефон и ждёт доставки.
Оформление заказа в стандартном режиме
Если вы уверены в выборе, то можете самостоятельно оформить заказ, заполнив по этапам всю форму.
Заполнение адреса
Выберите из списка название вашего региона и населённого пункта. Если вы не нашли свой населённый пункт в списке, выберите значение «Другое местоположение» и впишите название своего населённого пункта в графу «Город». Введите правильный индекс.
Доставка
В зависимости от места жительства вам предложат варианты доставки. Выберите любой удобный способ. Подробнее об условиях доставки читайте в разделе «Доставка».
Оплата
Выберите оптимальный способ оплаты. Подробнее о всех вариантах читайте в разделе «Оплата»
Покупатель
Введите данные о себе: ФИО, адрес доставки, номер телефона. В поле «Комментарии к заказу» введите сведения, которые могут пригодиться курьеру, например: подъезды в доме считаются справа налево.
Оформление заказа
Проверьте правильность ввода информации: позиции заказа, выбор местоположения, данные о покупателе. Нажмите кнопку «Оформить заказ».
Наш сервис запоминает данные о пользователе, информацию о заказе и в следующий раз предложит вам повторить к вводу данные предыдущего заказа. Если условия вам не подходят, выбирайте другие варианты.
Если Вы хотите узнать об условиях доставки и оплаты, но не желаете о них читать, то Вы можете позвонить любому нашему сотруднику, и он обязательно Вам поможет.
Покупка за безналичный расчет
При оплате за безналичный расчет наш сотрудник свяжется с Вами, чтобы подтвердить заказ и уточнить сроки и адрес доставки. После оформления заказа сотрудник нашей компании вышлет вам счет, по которому необходимо будет произвести оплату.
После оплаты заказа к Вам приедет наш курьер, который доставит ваш заказ.
Самостоятельно забрать заказ из пунктов самовывоза Вы можете после его оплаты по безналичному расчету. Оплата доставки до пунктов выдачи транспортных компаний производится по тарифам выбранной Вами транспортной компании непосредственно в месте получения заказа.
Самовывоз из офиса нашей компании в Зеленограде, так же возможен после предоплаты по безналичному расчету, и предварительной договоренности с менеджером.
Интернет-магазин выполняет доставку любого товара своей собственной Службой доставки.
Стоимость доставки курьером
Стоимость доставки по Москве, Все товары —750 руб., бесплатная доставка от 25000 руб
Стоимость доставки по Московской области рассчитывается для каждого заказа индивидуально и зависит от суммарного веса товаров заказа и удаленности адреса доставки.
Время доставки
Время доставки согласовывается с менеджером Службы доставки, который обязательно свяжется с вами сразу после того, как вы разместите свой заказ.
Для осуществления доставки в регионы России мы пользуемся услугами компаний СДЭК, ЖелДорЭкспедиция, Автотрейдинг, Деловые Линии. В таком случае, указанными кампаниями взимается стоимость доставки по их внутренним тарифам с заказчика при получении товара.
Самовывоз
Забрать товар самостоятельно и абсолютно бесплатно можно только по адресу: Москва, Зеленоград, Панфиловский проспект, дом 10.
Забрать товар самовывозом можно по любому из адресов самовывоза указанных здесь, стоимость доставки до пункта самовывоза рассчитывается для каждого заказа по тарифам транспортных компаний.





