Замки электромеханические серии Promix-SM308 с крюкообразным механизмом запирания предназначены для Предназначен для запирания дверей торговой и офисной мебели, шкафов и кабинок в раздевалках, ячеек камер хранения, шкафчиков для одежды в аквапарках, фитнес-центрах, бассейнах, магазинах, SPA-салонах и т.п. Замок оснащен датчиком положения двери и пружинным толкателем. При подаче напряжения питания замок разблокирует ригель и встроенным толкателем выталкивает дверь.
Комплектация:
• Замок: 1 шт.
• Ригель: 1 шт.
• Саморез 3,5x15 (полукр.): 5 шт.
• Руководство по эксплуатации: 1 шт.
Особенности
• Плоская форма, различные цвета и малые габариты позволяют установить замок на шкаф любого дизайна
• Встроенный датчик положения двери
• Нормально закрытый (закрыт без напряжения питания)
• Усилие удержания 250 кг
• Потребляемый ток 0,25 А (импульс 1 сек
• Напряжение питания 10...14 В постоянного тока
Замок Promix-SM308 производится нормально закрытого исполнения, т.е. находится в закрытом состоянии при отсутствии напряжения питания и открывается при подаче напряжения питания.
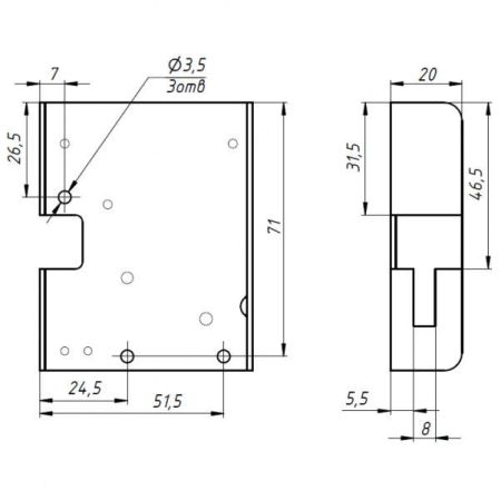
Замок устанавливается на внутренние поверхности шкафа перпендикулярно двери и может работать как в вертикальном, так и в горизонтальном положении. Ответная часть (ригель) устанавливается на дверь.
При закрытии двери ригель входит в замок и блокируется в нем.
При подаче напряжения питания, замок разблокирует ригель и встроенным толкателем выталкивает его, что позволяет не устанавливать на дверь ручку. Пружинный толкатель замка связан с датчиком положения двери
Окружающая среда при эксплуатации замков должна быть невзрывоопасная и не содержащая токопроводящую пыль и газы, вызывающие коррозию металла и разрушающие изоляцию токопроводников и электроэлементов, не содержащая токопроводящую пыль, водяные пары и исключающая попадание воды, пара, горюче - смазочных веществ. Климатические условия эксплуатации – У3.1 по ГОСТ 15150-69 с расширенным температурным диапазоном: температура окружающего воздуха: от -30 до +50 °С; относительная влажность воздуха не более 98% при 25°С и более низких температурах без конденсации влаги и образования инея; установка внутри или снаружи помещения при обеспечении невозможности попадания внутрь замка влаги, пыли, грязи и т.п.
Характеристики:
• Модификация: Promix-SM308.10.1
• Исполнение: нормально закрытый
• Усилие удержания ригеля, кг: не менее 250
• Начальное усилие выталкивания ригеля, кг: не менее 1,2
• Напряжение питания постоянного тока, В: 10-14
• Длительность импульса напряжения питания, сек: 1-10
• Интервал между импульсами напряжения питания, сек: 15
• Потребляемый ток, А: не более 250: 0,4 (при 12В)
• Наличие встроенных датчиков: датчик положения двери
• Максимальный коммутируемый ток датчика (Постоянный ток), А: 0,2
• Максимальное коммутируемое напряжение датчика (Постоянный ток), В: 24
• Тип выходного сигнала датчиков: «сухой контакт»
• Масса замка (не более), кг: 0,27
Замок Promix-SM308 производится нормально закрытого исполнения, т.е. находится в закрытом состоянии при отсутствии напряжения питания и открывается при подаче напряжения питания.
Замок устанавливается на внутренние поверхности шкафа перпендикулярно двери и может работать как в вертикальном, так и в горизонтальном положении. Ответная часть (ригель) устанавливается на дверь.
При закрытии двери ригель входит в замок и блокируется в нем. При подаче напряжения питания, замок разблокирует ригель и встроенным толкателем выталкивает его, что позволяет не устанавливать на дверь ручку.
Пружинный толкатель замка связан с датчиком положения двери.
Окружающая среда при эксплуатации замков должна быть невзрывоопасная и не содержащая токопроводящую пыль и газы, вызывающие коррозию металла и разрушающие изоляцию токопроводников и электроэлементов, не содержащая токопроводящую пыль, водяные пары и исключающая попадание воды, пара, горюче - смазочных веществ.
Климатические условия эксплуатации – У3.1 по ГОСТ 15150-69 с расширенным температурным диапазоном:
• температура окружающего воздуха: от -30 до +50 °С;
• относительная влажность воздуха не более 98% при 25°С и более низких температурах без конденсации влаги и образования инея;
• установка внутри или снаружи помещения при обеспечении невозможности попадания внутрь замка влаги, пыли, грязи и т.п.
Внимание 1 (Диод)
При подключении электромагнитных или электромеханических замков постоянного тока к контроллеру СКУД, их необходимо шунтировать диодами. Наиболее часто используется диод 1N4007.
Категорически запрещается использование замков с не подключёнными защитными диодами! ЭДС самоиндукции, возникающая на катушке замка при размыкании питания, может достигать нескольких сотен вольт.
При отсутствии защитного диода за счёт искрообразования происходит обгорание контактов реле контроллера СКУД и выход его из строя.
Внимание 2 (Блок питания)
Электромагнитные и электромеханические замки необходимо запитывать от отдельного источника питания. При использовании общего блока питания для замка и контроллера СКУД высоковольтные помехи на линии питания могут вызывать сбои в работе контроллера.
Провода питания вести отдельным кабелем для исключения влияния электромагнитных импульсов, генерируемых при срабатывании замков, на работу контроллера СКУД. В противном случае, большинством производителей контроллеров, не гарантируется стабильная работа контроллера СКУД.
Бренд | Promix |
Исполнение | Уличное |
Тип замка | Электромеханический замок |
Вид замка | Накладной |
Назначение замка | Мебельные дверцы |
Усилие удержания якоря, не менее | 250 кг |
Возможность открытия ключом | нет |
Встроенные датчики | Геркон |
Тип блокировки | Нормально закрытый (НЗ) |
Длина замка, мм | 60 |
Высота замка, мм | 86 |
Глубина замка, мм | 21 |
Клавиатура | Нет |
Напряжение питания | 12 В |
Потребляемый ток, макс. | 0.4 А |
Габариты | 60х86х21 мм |
Вес, кг | 0.27 |
Рабочая температура | от -40°C до +30°C |
Цвет | Белый, серый, коричневый, чёрный |
Страна производства | Россия |
Функция «Быстрый заказ» позволяет покупателю не проходить всю процедуру оформления заказа самостоятельно. Вы заполняете форму, и через короткое время вам перезвонит менеджер магазина. Он уточнит все условия заказа, ответит на вопросы, касающиеся качества товара, его особенностей. А также подскажет о вариантах оплаты и доставки.
По результатам звонка, пользователь либо, получив уточнения, самостоятельно оформляет заказ, укомплектовав его необходимыми позициями, либо соглашается на оформление в том виде, в котором есть сейчас. Получает подтверждение на почту или на мобильный телефон и ждёт доставки.
Оформление заказа в стандартном режиме
Если вы уверены в выборе, то можете самостоятельно оформить заказ, заполнив по этапам всю форму.
Заполнение адреса
Выберите из списка название вашего региона и населённого пункта. Если вы не нашли свой населённый пункт в списке, выберите значение «Другое местоположение» и впишите название своего населённого пункта в графу «Город». Введите правильный индекс.
Доставка
В зависимости от места жительства вам предложат варианты доставки. Выберите любой удобный способ. Подробнее об условиях доставки читайте в разделе «Доставка».
Оплата
Выберите оптимальный способ оплаты. Подробнее о всех вариантах читайте в разделе «Оплата»
Покупатель
Введите данные о себе: ФИО, адрес доставки, номер телефона. В поле «Комментарии к заказу» введите сведения, которые могут пригодиться курьеру, например: подъезды в доме считаются справа налево.
Оформление заказа
Проверьте правильность ввода информации: позиции заказа, выбор местоположения, данные о покупателе. Нажмите кнопку «Оформить заказ».
Наш сервис запоминает данные о пользователе, информацию о заказе и в следующий раз предложит вам повторить к вводу данные предыдущего заказа. Если условия вам не подходят, выбирайте другие варианты.
Если Вы хотите узнать об условиях доставки и оплаты, но не желаете о них читать, то Вы можете позвонить любому нашему сотруднику, и он обязательно Вам поможет.
Покупка за безналичный расчет
При оплате за безналичный расчет наш сотрудник свяжется с Вами, чтобы подтвердить заказ и уточнить сроки и адрес доставки. После оформления заказа сотрудник нашей компании вышлет вам счет, по которому необходимо будет произвести оплату.
После оплаты заказа к Вам приедет наш курьер, который доставит ваш заказ.
Самостоятельно забрать заказ из пунктов самовывоза Вы можете после его оплаты по безналичному расчету. Оплата доставки до пунктов выдачи транспортных компаний производится по тарифам выбранной Вами транспортной компании непосредственно в месте получения заказа.
Самовывоз из офиса нашей компании в Зеленограде, так же возможен после предоплаты по безналичному расчету, и предварительной договоренности с менеджером.
Интернет-магазин выполняет доставку любого товара своей собственной Службой доставки.
Стоимость доставки курьером
Стоимость доставки по Москве, Все товары —750 руб., бесплатная доставка от 25000 руб
Стоимость доставки по Московской области рассчитывается для каждого заказа индивидуально и зависит от суммарного веса товаров заказа и удаленности адреса доставки.
Время доставки
Время доставки согласовывается с менеджером Службы доставки, который обязательно свяжется с вами сразу после того, как вы разместите свой заказ.
Для осуществления доставки в регионы России мы пользуемся услугами компаний СДЭК, ЖелДорЭкспедиция, Автотрейдинг, Деловые Линии. В таком случае, указанными кампаниями взимается стоимость доставки по их внутренним тарифам с заказчика при получении товара.
Самовывоз
Забрать товар самостоятельно и абсолютно бесплатно можно только по адресу: Москва, Зеленоград, Панфиловский проспект, дом 10.
Забрать товар самовывозом можно по любому из адресов самовывоза указанных здесь, стоимость доставки до пункта самовывоза рассчитывается для каждого заказа по тарифам транспортных компаний.











