Данный вид турникета с одной штангой занимает нишу между традиционным турникетом с тремя штангами и турникетом с функцией аварийного опускания штанги. Режим экстренной эвакуации настроен по умолчанию, что исключает дополнительные расходы для заказчика. Возможность легкого прохода для людей с багажом или тележками.
Особенности
• Уникальный Magnetic Direct Drive мотор (MDD мотор)
• Корпус и штанги - шлифованная нержавеющая сталь; декоративные пластиковые накладки черного цвета
• Автоматически падающие штанги
• Возможность одностороннего или двунаправленного прохода
• Бесшумная работа механизма
• Совместимо со всеми системами контроля доступа
• Компактный дизайн
• Возможность применения различных покрытий
• Возможность комплектации пультом дистанционного управления и широкий спектр дополнительного оборудования
• Две версии (Basic/Advanced), доступные для всей линейки BAR ONE
В комплект входят:
• Магнитный привод нового поколения
• Блок питания
• Преобразователь SM-12
• Индикаторы доступа с подготовкой под установку считывателей
• Система Анти-паника
Пульт управления доступом не входит в комплект поставки и приобретается отдельно.
Безопасность и обеспечение безопасности
• Автоматический контроль прохода в двух направлениях
• Датчик перепрыгивания – подлезания турникета (дополнительная опция)
• Режим постоянной блокировки
• Режим аварийного опускания штанги
Стандартное оснащение Cominfo BAR One Unipod
• Advanced Magnetic Direct Drive мотор (MDD мотор)
• Функция аварийной разблокировки
• Интегрированные дисковые тормоза
• GoCall – функция приглашения при разрешении прохода (отклонение штанги по направлению прохода)
• Функция свободного прохода также и при отсутствии питания
Механизм привода
• Advanced Magnetic Direct Drive мотор (MDD мотор)
Условия эксплуатации
• В помещении -25°C до +60°C
• На открытом воздухе (дополнительная опция)
Дополнительные опции
• Бесконтактный RFID считыватель карт (накладной/встроенный)
• Уличный пакет
• WAV плеер
• USB конвертер / конвертер локальных сетей
• Инфракрасные датчики AntiClimb
• Сенсорный пульт управления EasyTouch / TouchPanel кнопочная панель управления / T-MON программное обеспечение для программирования режимов работы турникета
• SuperCup блок аварийной разблокировки
• Альтернативные варианты отделки поверхности
• Дополнительные варианты отделки верхней части турникета
• Резиновый защитный демпфер для штанги
• Мобильный подиум
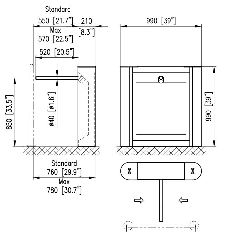
Размеры и материалы
• Высота: 990 мм
• Длина: 990 мм
• Ширина: 210 мм
• Максимальная ширина прохода: макс. 570 мм
• Корпус: нержавеющая сталь
• Верхняя панель: матированная нержавеющая сталь с пластиком на концах
• Ограничитель: одна штанга / нержавеющая сталь

Отличия версии Basic от Advanced
Basic версия
• MDD мотор с высокоэффективным тормозом
• возможность установки на улице
• “Go-call” - функция приглашения при разрешении прохода (отклонение штанги по направлению прохода)
• три режима прохода : стандартный/свободный/эвакуация
• три режима на вход : вход/выход/ эвакуация
Advanced версия
• все преимущества Basic версии (кроме возможности установки на улице) *
• усложненный механизм с возможностью установки широкого спектра дополнительного оборудования
• увеличенное количество входов и выходов
• функция сбора пропусков
• установка в помещении
• опция установки инфракрасных датчиков несанкционированного входа
• опция AccessLight
Бренд турникета | Cominfo |
Вид турникета | Турникет |
Тип турникета | Монопод |
Тип корпуса турникета | Однопроходной, Тумбовый, Напольный |
Тип привода турникета | Электромоторный |
Исполнение турникета | Для помещений |
Материал корпуса турникета | Нержавеющая сталь |
Преграждающие планки/створки | Антипаника, в комплекте |
Антипаника | Автоматическая |
Тип блокировки | Нормально закрытый (НЗ), Нормально открытый (НО) |
Встроенный картоприемник | Нет |
Встроенные считыватели | Без считывателей |
Пульт управления | Приобретается отдельно |
Напряжение питания | 24 В / 100...230 В |
Ширина перекрываемого прохода | 780 мм |
Ширина прохода | 570 мм |
Рабочая температура | от -25°C до +60°C |
Стыковка со СКУД | Любые типы СКУД |
Гарантия | 2 года |
Страна производства | Чехия |
Функция «Быстрый заказ» позволяет покупателю не проходить всю процедуру оформления заказа самостоятельно. Вы заполняете форму, и через короткое время вам перезвонит менеджер магазина. Он уточнит все условия заказа, ответит на вопросы, касающиеся качества товара, его особенностей. А также подскажет о вариантах оплаты и доставки.
По результатам звонка, пользователь либо, получив уточнения, самостоятельно оформляет заказ, укомплектовав его необходимыми позициями, либо соглашается на оформление в том виде, в котором есть сейчас. Получает подтверждение на почту или на мобильный телефон и ждёт доставки.
Оформление заказа в стандартном режиме
Если вы уверены в выборе, то можете самостоятельно оформить заказ, заполнив по этапам всю форму.
Заполнение адреса
Выберите из списка название вашего региона и населённого пункта. Если вы не нашли свой населённый пункт в списке, выберите значение «Другое местоположение» и впишите название своего населённого пункта в графу «Город». Введите правильный индекс.
Доставка
В зависимости от места жительства вам предложат варианты доставки. Выберите любой удобный способ. Подробнее об условиях доставки читайте в разделе «Доставка».
Оплата
Выберите оптимальный способ оплаты. Подробнее о всех вариантах читайте в разделе «Оплата»
Покупатель
Введите данные о себе: ФИО, адрес доставки, номер телефона. В поле «Комментарии к заказу» введите сведения, которые могут пригодиться курьеру, например: подъезды в доме считаются справа налево.
Оформление заказа
Проверьте правильность ввода информации: позиции заказа, выбор местоположения, данные о покупателе. Нажмите кнопку «Оформить заказ».
Наш сервис запоминает данные о пользователе, информацию о заказе и в следующий раз предложит вам повторить к вводу данные предыдущего заказа. Если условия вам не подходят, выбирайте другие варианты.
Если Вы хотите узнать об условиях доставки и оплаты, но не желаете о них читать, то Вы можете позвонить любому нашему сотруднику, и он обязательно Вам поможет.
Покупка за безналичный расчет
При оплате за безналичный расчет наш сотрудник свяжется с Вами, чтобы подтвердить заказ и уточнить сроки и адрес доставки. После оформления заказа сотрудник нашей компании вышлет вам счет, по которому необходимо будет произвести оплату.
После оплаты заказа к Вам приедет наш курьер, который доставит ваш заказ.
Самостоятельно забрать заказ из пунктов самовывоза Вы можете после его оплаты по безналичному расчету. Оплата доставки до пунктов выдачи транспортных компаний производится по тарифам выбранной Вами транспортной компании непосредственно в месте получения заказа.
Самовывоз из офиса нашей компании в Зеленограде, так же возможен после предоплаты по безналичному расчету, и предварительной договоренности с менеджером.
Интернет-магазин выполняет доставку любого товара своей собственной Службой доставки.
Стоимость доставки курьером
Стоимость доставки по Москве, Все товары —750 руб., бесплатная доставка от 25000 руб
Стоимость доставки по Московской области рассчитывается для каждого заказа индивидуально и зависит от суммарного веса товаров заказа и удаленности адреса доставки.
Время доставки
Время доставки согласовывается с менеджером Службы доставки, который обязательно свяжется с вами сразу после того, как вы разместите свой заказ.
Для осуществления доставки в регионы России мы пользуемся услугами компаний СДЭК, ЖелДорЭкспедиция, Автотрейдинг, Деловые Линии. В таком случае, указанными кампаниями взимается стоимость доставки по их внутренним тарифам с заказчика при получении товара.
Самовывоз
Забрать товар самостоятельно и абсолютно бесплатно можно только по адресу: Москва, Зеленоград, Панфиловский проспект, дом 10.
Забрать товар самовывозом можно по любому из адресов самовывоза указанных здесь, стоимость доставки до пункта самовывоза рассчитывается для каждого заказа по тарифам транспортных компаний.

















