Периметр защищенных территорий должен предотвращать несанкционированное проникновение людей. В то же время должен обеспечиваться доступ персонала и гостей. Организация доступа и установка турникетов позволяет эффективно решить данную задачу. Полноростовые турникеты Magnetic легко интегрируются в существующую архитектуру или систему ограждений и обеспечивают высокий уровень безопасности благодаря своим размерам и прочной конструкции.
• Проход с велосипедом или самокатом
• Безопасное усилие на створках
• Возможность встраивания индукционной петли для обнаружения велосипеда (опция)
• Энергоэффективный и не требующий обслуживания MHTM™ привод
• Разработан с учетом ресурса 10 000 000 циклов
MHTM™ привод обладает энергоэффектиными технологиями, в нем нет быстровращающих частей, что обеспечивает длительную и беспроблемную эксплуатацию. Ресурс от 10 000 000 циклов.
Турникеты созданы для наружного использования: детали из оцинкованной стали с порошковым покрытием или из нержавеющей стали не поддаются коррозии. Корпус с защитой IP 43 хорошо защищен от брызг и инородных тел. Повышенная степень защиты IP 54 возможна с дополнительным комплектом уплотнений. Дополнительная крыша также защищает оборудование от непогоды
Модификации турникета MPB 112
Турникеты с калиткой из окрашенной стали
MPB112AA101
MPB112AA10100001 с 2-мя дисплеями GED
MPB112AA10100010 c полукруглым формирователем прохода и индукционной петлей
MPB112AA10100011 c полукруглым формирователем прохода и индукционной петлей и с 2-мя дисплеями GED
Турникеты с калиткой из нержавеющей стали
MPB112AA141
MPB112AA14100001 с 2-мя дисплеями GED
MPB112AA14100010 c полукруглым формирователем прохода и индукционной петлей
MPB112AA14100011 c полукруглым формирователем прохода и индукционной петлей и с 2-мя дисплеями GED
Данные артикулы указаны для турникетов с проходом пользователя слева, велосипедом справа.
Для турникетов с проходом пользователя справа, велосипедом слева артикулы будут MPBxxxBAxxx.
Характеристики:
• Модель: MPB112AA101 - Турникет MPB 112 с моторизированным механизмом и моторизированной калиткой для велосипеда, проход пользователя слева, велосипед справа
• Цвет: RAL7042 (Опционально RAL 7016 и RAL 6005)
• Исполнение: Уличное и внутреннее
• Принцип работы (турникет/калитка): Моторизированный/моторизированная
• Пропускная способность: ~ 10 человек в минуту
• Напряжение питания: 100–240 В ~ 50/60 Гц
• Потребление: 60 Вт
• Интенсивность: 100%
• Степень защиты: IP 43 (IP 54 опционально)
• Температурный диапазон: −25 ... +55 °C
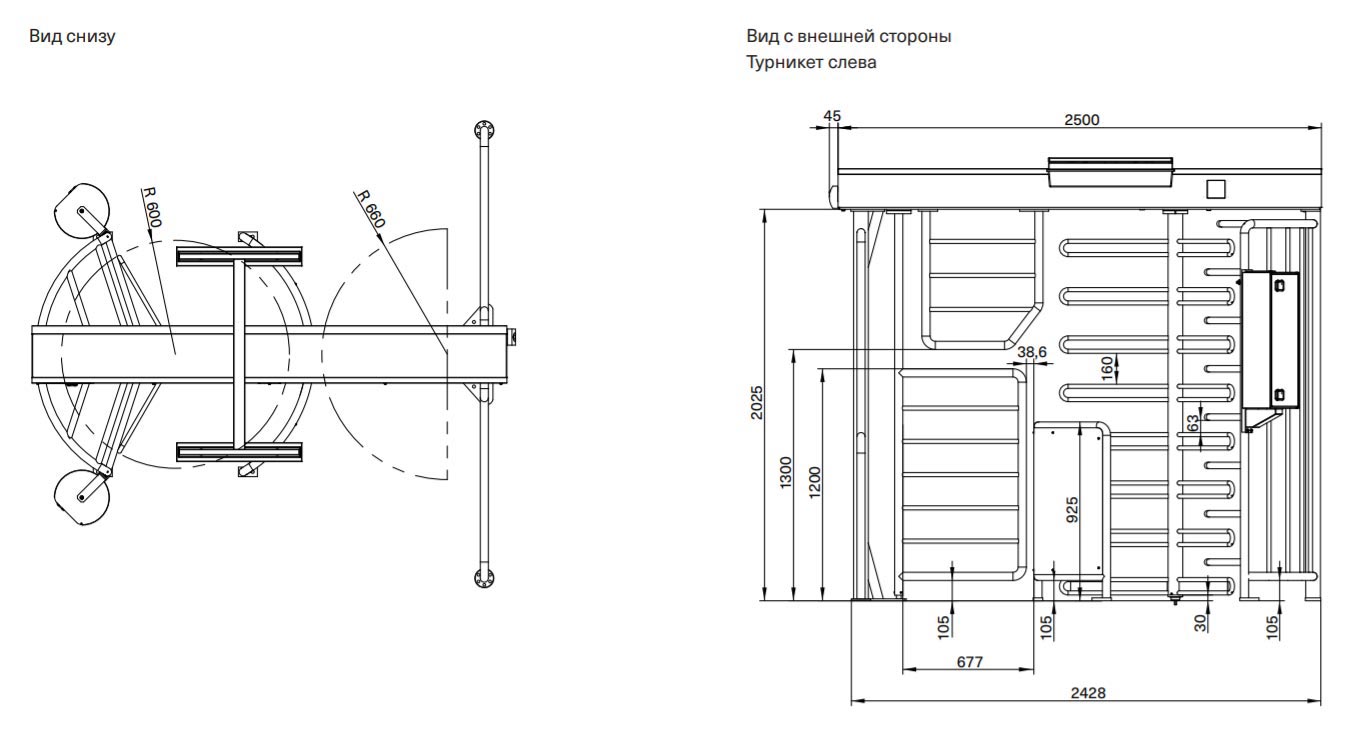
• Размеры турникета: 2500 x 2458 x 2235 мм
• Вес: ~ 480кг
Опции и аксессуары для турникетов MPT
Замки и разблокировка (заказ на производстве)
• EP100/EP101 Установка механического замка
• MAENT101 Механическая разблокировка
• VRM1 Замок для блокировки при отсутствии электропитания в одно направление
• VRM2 Замок для блокировки при отсутствии электропитания в оба направления
Подсветка (заказ на производстве)
• BELEDDS Подсветка
Крыша и дренаж
• ADACHBAR Крыша, цвет RAL7042 для MPB-A (внутренняя часть RAL9002/внешняя часть RAL9006), передний или задний откос, с желобом, без водостока, L=1667 мм (ширина прохода), W=2618 мм
• ADACHBBR Встраиваемая крыша, цвет RAL7042 для MPB-B (внутренняя часть RAL9002/внешняя часть RAL9006), передний или задний откос, с желобом, без водостока, L=1667 мм (ширина прохода) , W=2618 мм
Односкатная крыша
• PDACHBR Отдельностоящая крыша для MPT*3* (внутренняя часть RAL9002/внешняя часть RAL9006), 4 колонны RAL7042, L=2674 мм (ширина прохода), W=2827 мм, рамка RAL7042, с желобом, без водостока
• PDACH2BR Отдельностоящая крыша для 2-x MPT*3* (внутренняя часть RAL9002/внешняя часть RAL9006), 4 колонны RAL7042, L=2674 мм (ширина прохода), W=2827 мм, рамка RAL7042, с желобом, без водостока
Дополнительные элементы
• ASMP Колонна для размещения считывателей, нерж. сталь, покраска RAL 7042, с монтажной платой
• ASMPPHZ Колонна для размещения считывающих устройств, нерж. сталь, покраска RAL 7042, с монтажной платой
• ASMPX Колонна для размещения считывателей, нерж. сталь, специальный цвет, с монтажной платой
• ASMPPHZX Колонна для размещения считывающих устройств, нерж. сталь, специальный цвет, с монтажной платой (6)
• DT101 Кнопка с подсветкой для прохода нажатием кнопки (для каждого направления прохода)
• DT102 Кнопка выхода, степень защиты IP 67
Монтажная пластина
• FURAB Монтажная пластина для MPB без крыши
• MPBBS Монтажная пластина для MPB с крышей
• FURA2B Монтажная пластина для MPB без крыши для 2-х проходов
• MPBBSOF Монтажная пластина для MPB с крышей для 2-хпроходов
• FURABD Монтажная пластина для MPB с PDACHBR
• FURA2BD Монтажная пластина для MPB с PDACH2BR
Бренд турникета | Magnetic |
Вид турникета | Турникет |
Тип турникета | Полноростовой |
Тип корпуса турникета | Однопроходной, Напольный |
Тип привода турникета | Роторный |
Исполнение турникета | Уличное (под навесом) |
Материал корпуса турникета | Окрашенная сталь |
Преграждающие планки/створки | Стандартные, в комплекте |
Встроенный картоприемник | Нет |
Встроенные считыватели | Без считывателей |
Пропускная способность | 10 чел/мин |
Пульт управления | Приобретается отдельно |
Напряжение питания | 100...240 В |
Источник питания | В комплект НЕ ВХОДИТ! (приобретается отдельно) |
Потребляемая мощность, макс. | 60 Вт |
Габариты | 2500х2458х2235 мм |
Ширина перекрываемого прохода | 2500 мм |
Ширина прохода | 600 мм |
Высота прохода | 2025 мм |
Вес, кг | 480 |
Рабочая температура | от -25°C до +55°C |
Класс защиты (IP) | IP43 |
Цвет | Серый |
Наработка на отказ, не менее | 10 млн. циклов |
Стыковка со СКУД | Любые типы СКУД |
Страна производства | Германия |
Функция «Быстрый заказ» позволяет покупателю не проходить всю процедуру оформления заказа самостоятельно. Вы заполняете форму, и через короткое время вам перезвонит менеджер магазина. Он уточнит все условия заказа, ответит на вопросы, касающиеся качества товара, его особенностей. А также подскажет о вариантах оплаты и доставки.
По результатам звонка, пользователь либо, получив уточнения, самостоятельно оформляет заказ, укомплектовав его необходимыми позициями, либо соглашается на оформление в том виде, в котором есть сейчас. Получает подтверждение на почту или на мобильный телефон и ждёт доставки.
Оформление заказа в стандартном режиме
Если вы уверены в выборе, то можете самостоятельно оформить заказ, заполнив по этапам всю форму.
Заполнение адреса
Выберите из списка название вашего региона и населённого пункта. Если вы не нашли свой населённый пункт в списке, выберите значение «Другое местоположение» и впишите название своего населённого пункта в графу «Город». Введите правильный индекс.
Доставка
В зависимости от места жительства вам предложат варианты доставки. Выберите любой удобный способ. Подробнее об условиях доставки читайте в разделе «Доставка».
Оплата
Выберите оптимальный способ оплаты. Подробнее о всех вариантах читайте в разделе «Оплата»
Покупатель
Введите данные о себе: ФИО, адрес доставки, номер телефона. В поле «Комментарии к заказу» введите сведения, которые могут пригодиться курьеру, например: подъезды в доме считаются справа налево.
Оформление заказа
Проверьте правильность ввода информации: позиции заказа, выбор местоположения, данные о покупателе. Нажмите кнопку «Оформить заказ».
Наш сервис запоминает данные о пользователе, информацию о заказе и в следующий раз предложит вам повторить к вводу данные предыдущего заказа. Если условия вам не подходят, выбирайте другие варианты.
Если Вы хотите узнать об условиях доставки и оплаты, но не желаете о них читать, то Вы можете позвонить любому нашему сотруднику, и он обязательно Вам поможет.
Покупка за безналичный расчет
При оплате за безналичный расчет наш сотрудник свяжется с Вами, чтобы подтвердить заказ и уточнить сроки и адрес доставки. После оформления заказа сотрудник нашей компании вышлет вам счет, по которому необходимо будет произвести оплату.
После оплаты заказа к Вам приедет наш курьер, который доставит ваш заказ.
Самостоятельно забрать заказ из пунктов самовывоза Вы можете после его оплаты по безналичному расчету. Оплата доставки до пунктов выдачи транспортных компаний производится по тарифам выбранной Вами транспортной компании непосредственно в месте получения заказа.
Самовывоз из офиса нашей компании в Зеленограде, так же возможен после предоплаты по безналичному расчету, и предварительной договоренности с менеджером.
Интернет-магазин выполняет доставку любого товара своей собственной Службой доставки.
Стоимость доставки курьером
Стоимость доставки по Москве, Все товары —750 руб., бесплатная доставка от 25000 руб
Стоимость доставки по Московской области рассчитывается для каждого заказа индивидуально и зависит от суммарного веса товаров заказа и удаленности адреса доставки.
Время доставки
Время доставки согласовывается с менеджером Службы доставки, который обязательно свяжется с вами сразу после того, как вы разместите свой заказ.
Для осуществления доставки в регионы России мы пользуемся услугами компаний СДЭК, ЖелДорЭкспедиция, Автотрейдинг, Деловые Линии. В таком случае, указанными кампаниями взимается стоимость доставки по их внутренним тарифам с заказчика при получении товара.
Самовывоз
Забрать товар самостоятельно и абсолютно бесплатно можно только по адресу: Москва, Зеленоград, Панфиловский проспект, дом 10.
Забрать товар самовывозом можно по любому из адресов самовывоза указанных здесь, стоимость доставки до пункта самовывоза рассчитывается для каждого заказа по тарифам транспортных компаний.













