Периметр защищенных территорий должен предотвращать несанкционированное проникновение людей. В то же время должен обеспечиваться доступ персонала и гостей. Организация доступа и установка турникетов позволяет эффективно решить данную задачу. Полноростовые турникеты Magnetic легко интегрируются в существующую архитектуру или систему ограждений и обеспечивают высокий уровень безопасности благодаря своим размерам и прочной конструкции.
• Надежное обеспечение безопасности
• Электромеханический привод
• Безопасное усилие на створках
• 3-х створчатое исполнение
• Разработан с учетом ресурса 10 000 000 циклов
• −25 ... +55 °C, IP 43 (IP 54 опционально)
MHTM™ привод обладает энергоэффектиными технологиями, в нем нет быстровращающих частей, что обеспечивает длительную и беспроблемную эксплуатацию. Ресурс от 10 000 000 циклов.
Турникеты созданы для наружного использования: детали из оцинкованной стали с порошковым покрытием или из нержавеющей стали не поддаются коррозии. Корпус с защитой IP 43 хорошо защищен от брызг и инородных тел. Повышенная степень защиты IP 54 возможна с дополнительным комплектом уплотнений. Дополнительная крыша также защищает оборудование от непогоды.
Возможны модификации турникета с полукруглым формирователем прохода, четырехлопастные (90°), с ротором из нержавеющей стали V4A, с платой управления MLC, цвета RAL7016 или RAL6005. Так же возможен заказ турникета с индивидуальным цветом.
Характеристики:
• Модель: MPT333CA300 - Турникет MPT 333 с электромеханическим приводом и платой управления MGC, с блокирующим гребнем
• Цвет: RAL7042
• Исполнение: Уличное и внутреннее
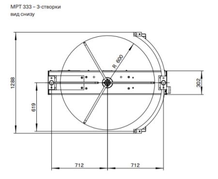
• Количество створок и угол: 3 (120°)
• Привод: электромеханический
• Пропускная способность: ~ 15 человек в минуту
• Плата управления: MGC
• Напряжение питания: 100–240 В ~ 50/60 Гц
• Потребление: 70 Вт (без аксессуаров)
• Интенсивность: 100%
• Степень защиты: IP 43 (IP 54 опционально)
• Температурный диапазон: −25 ... +55 °C
• Размеры турникета: 1510 x 1288 x 2235 мм
• Вес: ~ 250 кг
Опции и аксессуары для турникетов MPT
Замки и разблокировка (заказ на производстве)
• EP100/EP101 Установка механического замка (1)
• MAENT101 Механическая разблокировка MPT 333 (2,3)
• VRM1 Замок для MPT 132 для блокировки при отсутствии электропитания в одно направление
• VRM2 Замок для MPT 132 для блокировки при отсутствии электропитания в оба направления
Подсветка (заказ на производстве)
• BELEDDS Подсветка MPT 330/132/333 с датчиком света
• BELED Подсветка MPT 330/132/333 без датчика света
• GED105 Индикатор прохода (GED) для MPT*3*, MPG, MPB, красно-зеленый
Крыша и дренаж
• PDACHT3R Крыша для турникета, цвет RAL7042 (5)
• PDACHT3FX Крыша для турникета, специальный цвет (6)
• ADACHT3R Крыша типа B, цвет RAL7042, для MPT*3*, панель (внутри RAL9002/снаружи RAL9006), передний или задний откос, с желобом, без водостока L=1667мм (размер в направлении прохода), W=1703мм
• ADACHT3FX Крыша типа B, специальный цвет (6) L=1667мм (размер в направлении прохода), W=1703мм
• ADACH2T3R Крыша типа C, цвет RAL7042, для 2-х MPT*3*, панель (внутри RAL9002/снаружи RAL9006), с желобом и поперечинами, дренаж внутри справа или снаружи слева, без водосточной трубы, L=1667мм (размер в направлении прохода), W=3167мм
• ADACH2T3FX Крыша типа C, специальный цвет (6)
• ADACHT3G16R Крыша типа D, цвет RAL7042, для MPT*3* и MPG162, панель (внутри RAL9002/снаружи RAL9006), с желобом и поперечинами, дренаж внутри справа или снаружи слева, без водосточной трубы, L=1667мм (размер в направлении прохода), W=3167 мм
• ADACHT3G16FX Крыша типа D, специальный цвет
Дополнительные элементы
• ASMP Колонна для размещения считывателей, нерж. сталь, покраска RAL 7042, с монтажной платой
• ASMPPHZ Колонна для размещения считывающих устройств, нерж. сталь, покраска RAL 7042, с монтажной платой
• ASMPX Колонна для размещения считывателей, нерж. сталь, специальный цвет, с монтажной платой
• ASMPPHZX Колонна для размещения считывающих устройств, нерж. сталь, специальный цвет, с монтажной платой (6)
• DT101 Кнопка с подсветкой для прохода нажатием кнопки (для каждого направления прохода)
• DT102 Кнопка выхода, степень защиты IP 67
Монтажная пластина
• FURAT3 Монтажная пластина для MPT*3* без крыши
• FURAT3D Монтажная пластина для MPT*3* с крышей
• KHAD100 Комплект адаптеров для FURAT3/D для формирователя прохода
1 Опционально для одного или обоих направлений прохода
2 Только для электромеханической версии
3 На каждое направление требуется по 1 шт.
4 Включает 2 осветителя и кронштейны
5 2000 x 2000 мм (длина x ширина в направлении прохода)
6 Порошковая окраска RAL7042 (Стандарт), RAL6005 или RAL7016
Бренд турникета | Magnetic |
Вид турникета | Турникет |
Тип турникета | Полноростовой |
Тип корпуса турникета | Однопроходной, Напольный |
Тип привода турникета | Роторный |
Исполнение турникета | Уличное (под навесом) |
Материал корпуса турникета | Окрашенная сталь |
Преграждающие планки/створки | Стандартные, в комплекте |
Встроенный картоприемник | Нет |
Встроенные считыватели | Без считывателей |
Пропускная способность | 15 чел/мин |
Пульт управления | Приобретается отдельно |
Напряжение питания | 100...240 В |
Источник питания | В комплект НЕ ВХОДИТ! (приобретается отдельно) |
Потребляемая мощность, макс. | 70 Вт |
Габариты | 1510x1288x2235 мм |
Вес, кг | 250 |
Рабочая температура | от -25°C до +55°C |
Класс защиты (IP) | IP43 |
Цвет | Серый |
Наработка на отказ, не менее | 10 млн. циклов |
Стыковка со СКУД | Любые типы СКУД |
Страна производства | Германия |
Функция «Быстрый заказ» позволяет покупателю не проходить всю процедуру оформления заказа самостоятельно. Вы заполняете форму, и через короткое время вам перезвонит менеджер магазина. Он уточнит все условия заказа, ответит на вопросы, касающиеся качества товара, его особенностей. А также подскажет о вариантах оплаты и доставки.
По результатам звонка, пользователь либо, получив уточнения, самостоятельно оформляет заказ, укомплектовав его необходимыми позициями, либо соглашается на оформление в том виде, в котором есть сейчас. Получает подтверждение на почту или на мобильный телефон и ждёт доставки.
Оформление заказа в стандартном режиме
Если вы уверены в выборе, то можете самостоятельно оформить заказ, заполнив по этапам всю форму.
Заполнение адреса
Выберите из списка название вашего региона и населённого пункта. Если вы не нашли свой населённый пункт в списке, выберите значение «Другое местоположение» и впишите название своего населённого пункта в графу «Город». Введите правильный индекс.
Доставка
В зависимости от места жительства вам предложат варианты доставки. Выберите любой удобный способ. Подробнее об условиях доставки читайте в разделе «Доставка».
Оплата
Выберите оптимальный способ оплаты. Подробнее о всех вариантах читайте в разделе «Оплата»
Покупатель
Введите данные о себе: ФИО, адрес доставки, номер телефона. В поле «Комментарии к заказу» введите сведения, которые могут пригодиться курьеру, например: подъезды в доме считаются справа налево.
Оформление заказа
Проверьте правильность ввода информации: позиции заказа, выбор местоположения, данные о покупателе. Нажмите кнопку «Оформить заказ».
Наш сервис запоминает данные о пользователе, информацию о заказе и в следующий раз предложит вам повторить к вводу данные предыдущего заказа. Если условия вам не подходят, выбирайте другие варианты.
Если Вы хотите узнать об условиях доставки и оплаты, но не желаете о них читать, то Вы можете позвонить любому нашему сотруднику, и он обязательно Вам поможет.
Покупка за безналичный расчет
При оплате за безналичный расчет наш сотрудник свяжется с Вами, чтобы подтвердить заказ и уточнить сроки и адрес доставки. После оформления заказа сотрудник нашей компании вышлет вам счет, по которому необходимо будет произвести оплату.
После оплаты заказа к Вам приедет наш курьер, который доставит ваш заказ.
Самостоятельно забрать заказ из пунктов самовывоза Вы можете после его оплаты по безналичному расчету. Оплата доставки до пунктов выдачи транспортных компаний производится по тарифам выбранной Вами транспортной компании непосредственно в месте получения заказа.
Самовывоз из офиса нашей компании в Зеленограде, так же возможен после предоплаты по безналичному расчету, и предварительной договоренности с менеджером.
Интернет-магазин выполняет доставку любого товара своей собственной Службой доставки.
Стоимость доставки курьером
Стоимость доставки по Москве, Все товары —750 руб., бесплатная доставка от 25000 руб
Стоимость доставки по Московской области рассчитывается для каждого заказа индивидуально и зависит от суммарного веса товаров заказа и удаленности адреса доставки.
Время доставки
Время доставки согласовывается с менеджером Службы доставки, который обязательно свяжется с вами сразу после того, как вы разместите свой заказ.
Для осуществления доставки в регионы России мы пользуемся услугами компаний СДЭК, ЖелДорЭкспедиция, Автотрейдинг, Деловые Линии. В таком случае, указанными кампаниями взимается стоимость доставки по их внутренним тарифам с заказчика при получении товара.
Самовывоз
Забрать товар самостоятельно и абсолютно бесплатно можно только по адресу: Москва, Зеленоград, Панфиловский проспект, дом 10.
Забрать товар самовывозом можно по любому из адресов самовывоза указанных здесь, стоимость доставки до пункта самовывоза рассчитывается для каждого заказа по тарифам транспортных компаний.











