Турникеты моделей «М1» отличаются от предыдущих моделей новым контроллером, обеспечивающим стыковку с любой системой контроля и управления доступом (СКУД) без дополнительного адаптера (турникет выдает в СКУД релейные сигналы факта прохода «на вход» и «на выход» типа «разомкнутый сухой контакт» и «замкнутый сухой контакт»), а также обеспечивает режим работы «Запрет возврата после прохода наполовину (AntiPassBack)» как при работе от СКУД, так и при работе от пульта охранника.
Комплект поставки:
• Турникет: 1 шт.
• Блок Электронного Управления (контроллер) встроен в стойку: 1 шт.
• ПДУ: 1 шт.
• Паспорт. Руководство по эксплуатации: 1 шт.
Не входят в комплект поставки и заказываются отдельно:
• преграждающие штанги
• блок питания
Турникеты управляются с пульта дистанционного управления (ПДУ) и обеспечивают пропуск в любом из двух направлений как по одному человеку, так и группы людей.
Количество турникетов, необходимое для обеспечения одиночного прохода обученных людей в течение примерно 20 минут, рекомендуется определять исходя из расчета 500 человек на один турникет (1000 человек на один двухпроходной турникет).
По условиям применения электромеханические турникеты соответствуют группе УХЛ 4.2 по ГОСТ 15150-69. Турникеты предназначены для эксплуатации внутри помещения при температуре от +1 до +50°С. Возможно уличное исполнение турникета под заказ.
Рекомендуется использовать турникет-трипод со штангой «антипаника» в помещении, где нет аварийного выхода или если рядом с турникетом нет быстрооткрываемого ограждения.
Выпускаемые модели:
• Т2ММ1 -Крашеный внутри помещений
• Т8М1 - Крашеный внутри помещений
• Т9М1 - Крашеный внутри помещений
• Т2ММ1-У - Крашеный уличный
• Т8М1-У - Крашеный уличный
• Т9М1-У - Крашеный уличный
• Т2ММ1-Нерж - Нержавеющий уличный
• Т9М1-Нерж - Нержавеющий уличный
Преимуществами турникета Т8М1 являются:
• Самая низкая цена среди триподов марки «Ростов-Дон» благодаря специальному дизайну
• Высокая долговечность благодаря нормально открытому механизму
• Плавность и бесшумность работы
• Турникет может работать как от пульта, так и от системы контроля доступа, при этом система контроля доступа может быть поставлена с турникетом как опция
• Корпус турникета может быть изготовлен как из стали, окрашенной порошковым методом в любой цвет по RAL (стандартный цвет – «серебряный антик»), так и из нержавеющей стали, преграждающие штанги - из нержавеющей стали
• Может быть уличного исполнения (Т8М1-У) под навесом для температур от -30 ºС до +40 ºС
• Может комплектоваться ограждениями, выполненными с ним в едином дизайне
• Может комплектоваться штангами «антипаника» и диамагнитными штангами
• При попытке несанкционированного прохода может подаваться звуковой сигнал
• При выключении питания автоматически разблокируется
Устройство и принцип работы
Турникет состоит из следующих частей:
а) корпуса 1, поворотного механизма 2 с тремя штангами 3, двух индикаторов состояния турникета 4, стопорного механизма с электромагнитом 5, цифрового датчика положения механизма 6, звукового сигнализатора 7;
б) блока электронного управления БЭУ (в турникете Т9М1 встроен в «голову» турникета);
в) пульта дистанционного управления - ПДУ.
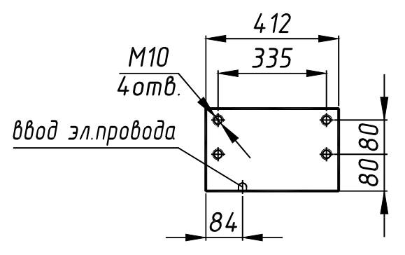
В турникетах всех модификаций предусмотрены отверстия для ввода кабеля: с тыльной стороны турникета и в основании – для случая, когда провода от турникета проходят под полом.

Режимы работы турникета
Турникет обеспечивает работу в следующих режимах:
• режим ожидания;
• пропуск одного человека в заданном направлении;
• постоянно открыто в одном направлении;
• постоянно открыто в оба направления;
• режим тревоги.
• режим срабатывания пожарного шлейфа.
• режим калибровки.
Режим ожидания. В режиме ожидания поворотный механизм турникета находится в одном из трёх возможных исходных положений. Под исходным положением понимается устойчивое состояние механизма турникета, при котором одна из трёх штанг находится в верхнем горизонтальном положении и оба световых индикатора светятся красным. Стопорный механизм турникета разблокирован (электромагнит обесточен). При нажатии кнопок ПДУ или появлении активного уровня сигнала СКУД турникет переходит в другой режим работы (см. ниже).
Режим пропуска одного человека. Для пропуска одного человека необходимо нажать кнопку «КН.1» или «КН.2» соответствующего направления движения человека. При этом световой индикатор на соответствующей стороне турникета светится зелёным цветом. Разрешение на проход действительно в течение 4 секунд, если турникет находится в исходном положении (движение не начато). Повторное нажатие той же кнопки ПДУ «КН.1» или «КН.2» в исходном положении турникета приводит к снятию разрешения на пропуск человека.
В случае работы турникета со СКУД для пропуска одного
человека СКУД должна выдать активный уровень сигнала «СКУД1» или «СКУД2» (см. п.7 «Сопряжение и работа со СКУД»), при этом
разрешение на проход будет действовать всё время, пока сигналы «СКУД1» или «СКУД2» имеют активный уровень (0…0,7 В). Соответствующий световой индикатор будет зелёным.
При движении механизма турникета на угол до 60º в разрешённом направлении зелёное свечение индикатора сохраняется. При повороте на угол свыше 60º турникетом выдаётся сигнал для СКУД о факте прохода «Ф.ПР.». Вместе с выдачей сигнала «Ф.ПР.» изменяется цвет свечения индикатора с зелёного на красный. После того как механизм турникета займёт исходное положение, турникет перейдёт в режим ожидания.
Режим постоянно открытого турникета в одном направлении (групповой проход). Включение режима осуществляется с ПДУ нажатием комбинации кнопок «КН.ДОП» + «КН.1» для одного направления или «КН.ДОП» + «КН.2» для другого направления. Световой индикатор на соответствующей стороне турникета светится зелёным цветом. После включения режима в заданном направлении разрешен проход любого числа людей до сброса этого режима с ПДУ. При повороте механизма на угол более 60 град., считая от исходного положения, турникетом формируется сигнал «Ф.ПР.» о факте прохода для СКУД.
В этом режиме существует возможность переключения в режим пропуска одного человека навстречу постоянно открытому направлению как с помощью ПДУ, так и от СКУД. После завершения режима пропуска одного человека механизм достигает исходное положения, что приводит к переключению в режим постоянного открытия в прежнем направлении.
Вывод турникета из режима группового прохода осуществляется нажатием кнопки «КН.1» или «КН.2» ПДУ того же направления, что и разрешенный групповой проход.
Режим постоянно открытого турникета в обе стороны (групповой проход). Для открытия турникета в обе стороны необходимо нажать комбинацию клавиш «КН.ДОП» + «КН.1» + «КН.2» на ПДУ либо последовательно открыть постоянный проход в одном направлении (комбинация клавиш «КН.ДОП» + «КН.1») и в другом направлении (комбинация клавиш «КН.ДОП» + «КН.2»). Для вывода турникета из режима группового прохода необходимо нажать кнопки «КН.1» и «КН.2».
Режим тревоги. Турникет переходит в режим тревоги в следующих случаях:
• несанкционированное движение из исходного положения;
• движение в запрещённом направлении (навстречу разрешённому направлению);
При переходе турникета в режим тревоги включаются:
• стопорный механизм;
• звуковая сигнализация;
• световые индикаторы светятся красным цветом.
Режим тревоги может быть снят как с помощью ПДУ, так и автоматически в следующих случаях:
• при возобновлении движения механизма турникета в разрешённом направлении;
• если механизм турникета установлен в исходное положение, при этом турникет переходит в режим ожидания;
• одновременно нажаты и удерживаются кнопки «КН.1» и «КН.2» ПДУ, при этом оба световых индикатора будут светиться красным цветом, а звуковая сигнализация отключается. При снятии режима тревоги с ПДУ происходит отключение стопорного механизма, что позволяет поворачивать механизм в любом направлении до следующего исходного положения. В этом случае возможно перемещение механизма на 120º, при котором сигнал для СКУД о факте прохода выдаваться не будет.
Звуковое устройство (зуммер) можно отключать и включать троекратным нажатием кнопки «КН.ДОП» на ПДУ.
Режим срабатывания пожарного шлейфа. Пожарный шлейф можно подключить к клеммам обозначенным «GND» и «Вх2» модуля IB v1.1 предварительно убрав перемычку. При срабатывании пожарного шлейфа (разрыв цепи) происходит разблокировка турникета в обе стороны с индикацией зеленым цветом. Функция антивозврата отключена Выход из режима осуществляется восстановлением шлейфа и нажатием любой клавиши направления прохода.
Режим калибровки. Режим предназначен для установки исходного (нулевого) положения штанг. Для перевода турникета в режим калибровки необходимо снять переднюю панель и нажать кнопку включения режима калибровки (расположена на кронштейне рядом с модулем BM v3.0). При включении режима калибровки раздается прерывистый звуковой сигнал, и мигают индикаторы прохода. По зеленому сигналу индикаторов необходимо повернуть штангу турникета согласно направлению индикатора (придерживать, возвращать штангу в обратном направлении не допускается).
По завершению процесса калибровки прекращается подача звукового сигнала, и турникет переходит в режим ожидания.
Краткое описание режимов работы турникета

Экстренные ситуации
В случаях пожара, сигнала тревоги, проноса крупногабаритных грузов и т.д. обеспечение свободного прохода в турникетах осуществляется следующими способами:
а) открыванием штанги «антипаника», если она установлена;
б) переводом турникета в режим группового прохода;
в) выключением турникета (прекращением подачи напряжения); турникет при этом автоматически разблокируется;
г) снятием штанг.
Механизм антивозврата (antipassback)
В турникете реализован запрет возврата проходящего человека после поступления в СКУД сигнала о факте прохода, который подается примерно на середине прохода через турникет. При этом блокируетсявозможность поворота штанг в обратном направлении так, Что проходящий человек может продолжить проход только в начатом разрешенном направлении.
Функцию антивозврата можно отключить установкой перемычки между клеммами «GND» и «Вх1» модуля «IB v1.1».
Внимание! При отключении функции антивозврата производитель не гарантирует достоверность регистрации факта прохода через турникет, так как имеется возможность вернуться после фиксации его системой СКУД.
Требования безопасности
Электрические схемы турникетов и ПДУ изолированы от корпуса. При этом на них подается напряжение не выше 14В постоянного тока.
Корпус турникета необходимо заземлять. Клемма заземления находится в турникетах Т2ММ1 и Т9М1 под крышкой 7 ниже плиты механизма, в навесном турникете Т8М1 - под кожухом 2.
Запрещается снимать верхнюю крышку или кожух турникета без предварительного отключения от сети.
При эксплуатации турникета необходимо соблюдать общие правила электробезопасности при пользовании электрическими приборами.
Подготовка к работе и порядок установки
Распакуйте турникет и проверьте его комплектность. Перед установкой турникета подключите его к источнику питания 12В, соблюдая полярность, указанную на проводе (бирка «+12Вольт»), и проверьте работу от ПДУ.
Подготовьте и закрепите специальные крепежные (анкерные) болты в соответствии с разметкой.
Установите турникет и закрепите его.

Установите штанги. Для этого снимите крышечку поворотного механизма (кроме турникета Т9М1), открутив винт М5 (рис.1). Закрепите штанги болтами М10, входящими в комплект штанг. Для перевода штанги «антипаника» в положение «проход открыт» оттяните штангу в направлении А (от турникета) на 50-80мм и поверните ее вниз (рис.2). Время открытия штанги «антипаника» составляет 1-3с. Закройте место крепления штанг крышкой.
Для правильной работы турникета необходимо установить его с ограждением прохода так, как показано на рис.3 (вид сверху). Вместо ограждения прохода может быть стена, при этом конец штанги должен быть на расстоянии 20-50мм от стены (при использовании штанги «антипаника» - 50-60мм от стены).
Заземлите корпус турникета. Подключите блок питания к сети, при этом механизм турникета должен быть в исходном состоянии (см. «Режим ожидания»).
После завершения монтажа турникет готов к работе.

Сопряжение и работа со СКУД
Подключение турникета к контроллеру СКУД осуществляется в соответствии с табл. 3 через разъем XS2 модуля IB v1.1.
К контакту 9 разъема XS2 модуля IB v1.1 присоединить цепь «Общий» контроллера СКУД.
Управление турникетом осуществляется по цепям «СКУД1» и «СКУД2» посредством замыкания контактов 7 или 8 разъема XS2 модуля IB v1.1 на общий провод.

Сигналы, подаваемые на входы «СКУД1» и «СКУД2», должны иметь TTL-уровни. Данные сигналы также могут быть сформированы посредством нормально разомкнутых контактов реле или транзисторами включенными по схеме открытый коллектор (открытый сток). Длительность подаваемых сигналов для разблокировки турникета на вход и/или выход определяется контроллером СКУД. Направление входа и выхода остаются разблокированными пока цепи «СКУД1» и/или «СКУД2» соответственно замкнуты на общий провод.
Сигнал «Факт прохода» формируется при повороте проходящим человеком штанг турникета более чем на 60° переключением контактов реле для соответствующего направления прохода. Время, в течение которого контакты реле находятся в переключенном состоянии, составляет 0,6±0,05 сек.
Правила эксплуатации
Перед включением турникета необходимо путем визуального осмотра проверить состояние кабелей и включить блок питания.
Включение электропитания должно производиться в исходном положении турникета, при котором одна из штанг занимает верхнее горизонтальное положение.
Порядок разборки турникета:
Для доступа к поворотному механизму 2, световым индикаторам 4, электромагниту 5, датчику положения 6, звуковому сигнализатору 7 нужно: в навесном турникете Т8М1 снять кожух 10, открутив 2 винта; в турникете Т9М1 снять кожух 11, повернув оси прижимов 14 освобождая зацепы на крышке, в турникете Т2ММ1 – снять верхнюю крышку 11, открутив два винта, и затем выдвинуть вверх заднюю крышку 12.
Смазка, периодическое обслуживание и регулировки.
При благоприятных условиях эксплуатации (температура +10...+30С, влажность не выше 80%, запыленность воздуха низкая) турникет не требует периодического обслуживания и регулировок.
При эксплуатации не допускается:
- использование абразивных и химически активных веществ (в том числе ацетона, бензина, растворителей, хлорсодержащих и кислотосодержащих моющих веществ) для очистки наружных поверхностей турникета; для ухода за турникетом рекомендуется периодически протирать наружные поверхности из хромированной и нержавеющей стали чистящим средством для хрома, а окрашенные поверхности – нейтральными или слабощелочными моющими средствами;
- рывки и удары по преграждающим штангам, стойке турникета.
При неблагоприятных условиях эксплуатации рекомендуется смазывать смазкой типа «Литол» ось коромысла 13.
Внимание: запрещается смазывать сердечник электромагнита и запорный палец;
Рекомендации по электромонтажу:
- не рекомендуется установка изделия на расстоянии менее 1 метра от мощных источников электрических помех;
- пересечение всех сигнальных кабелей кабелями других силовых установок допускается только под прямым углом;
- любые удлинения сигнальных кабелей производить только методом пайки;
Важно! Монтаж изделия должен выполняться сертифицированным персоналом.
Бренд турникета | Ростов-Дон |
Вид турникета | Турникет |
Тип турникета | Трипод |
Тип корпуса турникета | Однопроходной, Навесной |
Тип привода турникета | Электромеханический |
Исполнение турникета | Для помещений |
Материал корпуса турникета | Окрашенная сталь |
Преграждающие планки/створки | По выбору, приобретаются отдельно |
Тип блокировки | Нормально открытый (НО) |
Встроенный картоприемник | Нет |
Встроенные считыватели | Без считывателей |
Пропускная способность | 30-50 чел/мин |
Пульт управления | 1 шт. в комплекте |
Напряжение питания | 12 В |
Источник питания | В комплект НЕ ВХОДИТ! (приобретается отдельно) |
Потребляемый ток, макс. | 1.5 А |
Габариты | 745x780x790 мм |
Габариты без штанг | 180х412х180 мм |
Ширина перекрываемого прохода | 745 мм |
Вес, кг | 30 |
Рабочая температура | от +1°C до +40°C |
Средний срок службы | Не менее 8 лет |
Стыковка со СКУД | Любые типы СКУД |
Сертификаты | Транспортной безопасности |
Гарантия | 2 года |
Страна производства | Россия |
Функция «Быстрый заказ» позволяет покупателю не проходить всю процедуру оформления заказа самостоятельно. Вы заполняете форму, и через короткое время вам перезвонит менеджер магазина. Он уточнит все условия заказа, ответит на вопросы, касающиеся качества товара, его особенностей. А также подскажет о вариантах оплаты и доставки.
По результатам звонка, пользователь либо, получив уточнения, самостоятельно оформляет заказ, укомплектовав его необходимыми позициями, либо соглашается на оформление в том виде, в котором есть сейчас. Получает подтверждение на почту или на мобильный телефон и ждёт доставки.
Оформление заказа в стандартном режиме
Если вы уверены в выборе, то можете самостоятельно оформить заказ, заполнив по этапам всю форму.
Заполнение адреса
Выберите из списка название вашего региона и населённого пункта. Если вы не нашли свой населённый пункт в списке, выберите значение «Другое местоположение» и впишите название своего населённого пункта в графу «Город». Введите правильный индекс.
Доставка
В зависимости от места жительства вам предложат варианты доставки. Выберите любой удобный способ. Подробнее об условиях доставки читайте в разделе «Доставка».
Оплата
Выберите оптимальный способ оплаты. Подробнее о всех вариантах читайте в разделе «Оплата»
Покупатель
Введите данные о себе: ФИО, адрес доставки, номер телефона. В поле «Комментарии к заказу» введите сведения, которые могут пригодиться курьеру, например: подъезды в доме считаются справа налево.
Оформление заказа
Проверьте правильность ввода информации: позиции заказа, выбор местоположения, данные о покупателе. Нажмите кнопку «Оформить заказ».
Наш сервис запоминает данные о пользователе, информацию о заказе и в следующий раз предложит вам повторить к вводу данные предыдущего заказа. Если условия вам не подходят, выбирайте другие варианты.
Если Вы хотите узнать об условиях доставки и оплаты, но не желаете о них читать, то Вы можете позвонить любому нашему сотруднику, и он обязательно Вам поможет.
Покупка за безналичный расчет
При оплате за безналичный расчет наш сотрудник свяжется с Вами, чтобы подтвердить заказ и уточнить сроки и адрес доставки. После оформления заказа сотрудник нашей компании вышлет вам счет, по которому необходимо будет произвести оплату.
После оплаты заказа к Вам приедет наш курьер, который доставит ваш заказ.
Самостоятельно забрать заказ из пунктов самовывоза Вы можете после его оплаты по безналичному расчету. Оплата доставки до пунктов выдачи транспортных компаний производится по тарифам выбранной Вами транспортной компании непосредственно в месте получения заказа.
Самовывоз из офиса нашей компании в Зеленограде, так же возможен после предоплаты по безналичному расчету, и предварительной договоренности с менеджером.
Интернет-магазин выполняет доставку любого товара своей собственной Службой доставки.
Стоимость доставки курьером
Стоимость доставки по Москве, Все товары —750 руб., бесплатная доставка от 25000 руб
Стоимость доставки по Московской области рассчитывается для каждого заказа индивидуально и зависит от суммарного веса товаров заказа и удаленности адреса доставки.
Время доставки
Время доставки согласовывается с менеджером Службы доставки, который обязательно свяжется с вами сразу после того, как вы разместите свой заказ.
Для осуществления доставки в регионы России мы пользуемся услугами компаний СДЭК, ЖелДорЭкспедиция, Автотрейдинг, Деловые Линии. В таком случае, указанными кампаниями взимается стоимость доставки по их внутренним тарифам с заказчика при получении товара.
Самовывоз
Забрать товар самостоятельно и абсолютно бесплатно можно только по адресу: Москва, Зеленоград, Панфиловский проспект, дом 10.
Забрать товар самовывозом можно по любому из адресов самовывоза указанных здесь, стоимость доставки до пункта самовывоза рассчитывается для каждого заказа по тарифам транспортных компаний.











