Фильтр
Гидравлические болларды в Нижнем Новгороде - Страница 2
88——
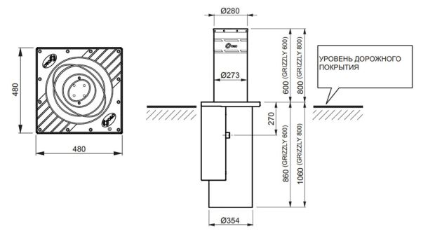
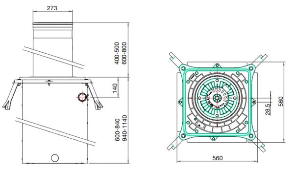
Болларды
ШлагбаумыРаспознавание авто номеровАвтоматические цепные барьерыУличные стойки для считывателейКассы автоматические, паркоматыКассы ручныеВъездные стойкиВыездные стойкиАвтоматика для воротПрограммное обеспечениеБлокираторы парковочного местаСистемы досмотра днища автомобиляЗеркала безопасностиДополнительное оборудованиеДорожные блокираторыПротивотаранные воротаНавесы для паркоматовКолесоотбойникиОстровки безопастностиОграждения для парковокВстраиваемые POS терминалыЛежачие полицейскиеЗарядки для электромобилейТабло для парковкиИндукционные петлиСветофорыПарковочные столбики
Фильтр по параметрам
Ваш менеджер
Артем Завьялов8 (925) 009-71-93
Задать вопрос










































































































