Фильтр
Турникеты для СКУД в Нижнем Новгороде - Страница 6
837——
Турникеты | Бесплатная доставка | Купить со склада | Лучшая цена
БиометрияСчитывателиИдентификаторыКонтроллеры доступаЭлектрозамкиСерверы для СКУДПрограммное обеспечениеКартоприемникиТерминалы для регистрации посетителейКалиткиОгражденияМеталлодетекторыШлюзовые кабиныИнтроскопыДетекторы взрывчатых веществРадиационные мониторыАвтоматические раздвижные двериРевольверные двериПриводы для дверейЭлектронные замки для гостиницМеханические замкиСистемы домофонииЦилиндровые механизмы для замковРучки для замковЭлектронные ключницыСтойки для считывателейАксессуары для замковДоводчики для дверейАксессуары для картКнопки выходаПропускные пунктыПринтеры для печати на пластиковых картахПринтеры чековСканеры штрих-кодовАлкотестерыСистема контроля обхода Zorio
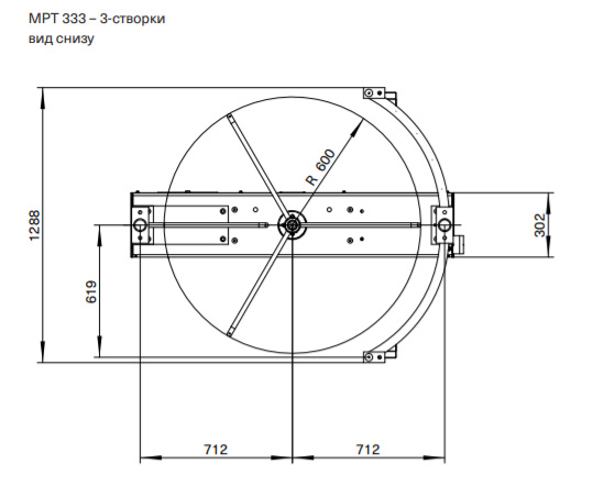
Штанги и створки для турникетов35 товаров
Пульты управления турникетами23 товара
Комплектующие для турникетов150 товаров
Фильтр по параметрам
Ваш менеджер
Артем Завьялов8 (925) 009-71-93
Задать вопрос





























































































































